ลูกกลิ้งไดรฟ์เฟืองแถวเดียว
Cat:ลูกกลิ้งเฟือง
พิมพ์ ขนาดลูกกลิ้ง ความกว้างของลูกกลิ้ง วัสดุลูกกลิ้ง ...
ลูกกลิ้งที่ขับเคลื่อนเป็นลูกกลิ้งคนขี้เกียจชนิดหนึ่งที่ใช้ในสายพานลำเลียงลูกกลิ้งขับเคลื่อนโดยทั่วไปจะติดตั้งล้อขับเช่นเฟือง, รอกหลายลิ้น ลูกกลิ้งขับเคลื่อนที่มีเฟืองให้ความจุสูงด้วยเฟืองที่ทำจากเหล็กและมีอยู่ในข้อกำหนดต่าง ๆ ตามข้อกำหนดการโหลด ลูกกลิ้งขับเคลื่อนที่มีรอกหลายขั้วร่องเวลาและรอกสายรัด V ได้รับการออกแบบมาสำหรับระบบที่ขับเคลื่อนด้วยเข็มขัดและมีความสามารถในการโหลดที่เบากว่า ลูกกลิ้ง O-groved ยังใช้สำหรับสายพานลำเลียงลูกกลิ้งที่ใช้งานได้โดยมีความจุโหลดต่ำกว่าลูกกลิ้งที่ขับเคลื่อนด้วยเข็มขัด

พิมพ์ ขนาดลูกกลิ้ง ความกว้างของลูกกลิ้ง วัสดุลูกกลิ้ง ...
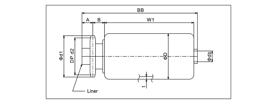
| พิมพ์ | ขนาดลูกกลิ้ง | ความกว้างของลูกกลิ้ง | วัสดุลูกกลิ้ง | การแบก | เส้นผ่านศูนย์กลางเพลา | ขนาดซับ | เฟือง | d | D2 | อัน | ข | W1 | BB |
| KR-384010S | 38.1 × 2.3 | 100 ~ 800 | STKM | 6001ZZ · 6201Z | 12.0 | 18 × 12.2 × 26 | #40 × 10ts | 46 | 41.1 | 12 | 14 | W-1 | W 28 |
| KR-424010S | 42.7 × 2.3 | 100 ~ 800 | STKM | 6001ZZ · 6201Z | 12.0 | 18x12.2 × 26 | #40 × 10ts | 46 | 41.1 | 12 | 14 | W | W 28 |
| KR-484010S | 48.6 × 3.5 | 100 ~ 800 | SGP40A | 6001ZZ · 6201Z | 12.0 | 18 × 12.2 × 26 | #40 × 10ts | 46 | 41.1 | 12 | 11 | W 5 | W 28 |
| KR-504010S | 50.8 × 1.6 | 100 ~ 800 | STKM | 6001ZZ · 6201Z | 12.0 | 18 × 12.2 × 26 | #40 × 10ts | 46 | 41.1 | 12 | 13 | W-1 | W 28 |
| KR-574010S | 57.1 × 2.1 | 100 ~ 1,000 | STKM | 6001ZZ · 6201Z | 12.0 | 18 × 12.2 × 26 | #40 × 10ts | 46 | 41.1 | 12 | 13 | W | W 28 |
| KR-604010S | 60.5 × 2.3 | 100 ~ 1,000 | STKM | 6001ZZ · 6201Z | 12.0 | 18 × 12.2 × 26 | #40 × 10ts | 46 | 41.1 | 12 | 13 | W | W 28 |
| KR-605011S | 60.5 × 3 | 100 ~ 1,000 | SGP50A | 6002zz | 15.0 | 21 × 15.2 × 41.5 · 21 × 15.2 × 12 | #50 × 11ts | 63 | 56.35 | 20 | 18 | W 3 | W 48 |
| KR-765011S | 76.3 × 4.2 | 100 ~ 1,000 | SGP65A | 6002zz | 15.0 | 21 × 15.2 × 41.5 · 21 × 152 × 12 | #50 × 11ts | 63 | 56.35 | 20 | 18 | W 2 | W 48 |
| KR-605013S | 60.5 × 3.8 | 100 ~ 1,000 | SGP50A | 6004zz | 20.0 | 29 × 20.2 × 38.5 · 29 × 20.2 × 15 | #50 × 13ts | 73 | 66.34 | 20 | 18 | W 1 | W 48 |
| KR-765013S | 76.3 × 4.2 | 100 ~ 1,000 | SGP65A | 6004zz | 20.0 | 29x20.2x38.5 · 29 × 20.2 × 15 | #50 × 13ts | 73 | 66.34 | 20 | 18 | W 2 | W 48 |
| KR-895013S | 89.1 × 4.2 | 100 ~ 1,000 | SGP80A | 6004zz | 20.0 | 29 × 20.2x38.5 · 29 × 202x15 | #50 × 13ts | 73 | 66.34 | 20 | 18 | W | W 48 |
| KR-1146014S | 114.3 × 4.5 | 300 ~ 2000 | SGP100A | 6205ZZ | 25.0 | 35 × 26 × 19 · 35 × 26 × 21 | #60 × 14TS | 93 | 85.61 | 20 | 23 | W | W 58 |
| KR-1406016S | 139.8 × 4.5 | 300 ~ 2000 | Sgp125a | 6206zz | 30.0 | 38 × 31.1 × 19 · 38 × 31.1 × 21 | #60 × 16TS | 107 | 97.65 | 20 | 23 | W | W 58 |

พิมพ์ ขนาดลูกกลิ้ง ความกว้างของลูกกลิ้ง วัสดุลูกกลิ้ง ...
| พิมพ์ | ขนาดลูกกลิ้ง | ความกว้างของลูกกลิ้ง | วัสดุลูกกลิ้ง | การแบก | เส้นผ่านศูนย์กลางเพลา | ขนาดซับ | เฟือง | D1 | D2 | อัน | ข | C | W1 | BB |
| KR-384010SW | 38.1 × 2.3 | 100 ~ 800 | STKM | 6001ZZ · 6201Z | 12.0 | 18 × 12.2 × 53 | #40 × 10TSW | 46 | 41.1 | 12 | 23 | 18 | W-1 | W 58 |
| KR-424010SW | 42.7 × 2.3 | 100 ~ 800 | STKM | 6001ZZ · 6201Z | 12.0 | 18 × 12.2 × 53 | #40 × 10TSW | 46 | 41.1 | 12 | 23 | 18 | W | W 58 |
| KR-484010SW | 48.6 × 3.5 | 100 ~ 800 | SGP40A | 6001ZZ · 6201Z | 12.0 | 18 × 12.2 × 53 | #40 × 10TSW | 46 | 41.1 | 12 | 23 | 15 | W 5 | W 58 |
| KR-504010SW | 50.8 × 1.6 | 100 ~ 800 | STKM | 6001ZZ · 6201Z | 12.0 | 18 × 12.2 × 53 | #40x10tsw | 46 | 41.1 | 12 | 23 | 18 | W-1 | W 58 |
| KR-574010SW | 57.1 × 2.1 | 100 ~ 1,000 | STKM | 6001ZZ · 6201Z | 12.0 | 18 × 12.2 × 53 | #40 × 10TSW | 46 | 41.1 | 12 | 23 | 18 | W | W 58 |
| KR-604010SW | 60.5 × 2.3 | 100 ~ 1,000 | STKM | 6001ZZ · 6201Z | 12.0 | 18 × 12.2 × 53 | #40 × 10TSW | 46 | 41.1 | 12 | 23 | 18 | W | W 58 |
| KR-605011SWS | 60.5 × 3.8 | 100 ~ 1,000 | SGP50A | 6002zz | 15.0 | 21x15.2 × 66.5 · 21 × 15.2x12 | #50 × 11tsw | 63 | 56.35 | 20 | 25 | 18 | W 3 | W 7 |
| KR-765011SWS | 76.3 × 4.2 | 100 ~ 1,000 | SGP65A | 6002zz | 15.0 | 21 × 15.2 × 66.5 · 21 × 15.2 × 12 | #50 × 11tsw | 63 | 56.35 | 20 | 25 | 18 | W 2 | W 73 |
| KR-605013SW | 60.5 × 3.8 | 100 ~ 1,000 | SGP50A | 6004zz | 20.0 | 29 × 20.2 × 63.5 · 29 × 20.2 × 15 | #50 × 13TSW | 73 | 66.34 | 20 | 25 | 18 | W 1 | W 73 |
| KR-765013SW | 76.3 × 4.2 | 100 ~ 1,000 | SGP65A | 600422 | 20.0 | 29 × 20.2 × 63.5 · 29 × 20.2x15 | #50 × 13TSW | 73 | 66.34 | 20 | 25 | 18 | W 2 | W 73 |
| KR-895013SW | 89.1 × 4.2 | 100 ~ 1,000 | SGP80A | 6004zz | 20.0 | 29 × 20.2 × 63.5 · 29 × 20.2 × 15 | #50 × 13TSW | 73 | 66.34 | 20 | 25 | 18 | W | W 73 |

พิมพ์ ขนาดลูกกลิ้ง Rollerwidth ลูกกลิ้ง Matenal ...
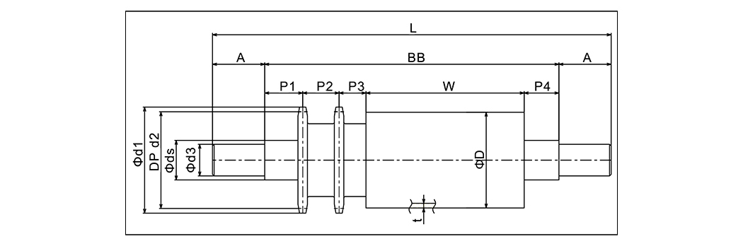
| พิมพ์ | ขนาดลูกกลิ้ง | Rollerwidth | ลูกกลิ้ง Matenal | หมี | เส้นผ่านศูนย์กลางเพลา | เฟือง | D1 | D2 | D3 | อัน | l | BB | P1 | P2 | P3 | P4 |
| KPR-574015SW | 57.2 × 2.6 | 300 ~ 2000 | STKM | UCPA204 | 25xw 152 | #40 × 15TSW | 67 | 61.08 | 20 | 33 | W 152 | W 86 | 24 | 23 | 17 | 22 |
| KPR-604015SW | 60.5 × 3.8 | 300 ~ 2000 | STKM | UCPA204 | 25xw 152 | #40 × 15TSW | 67 | 61.08 | 20 | 33 | W 152 | W 86 | 24 | 23 | 17 | 22 |
| KPR-765013SW | 76.3 × 4.2 | 300 ~ 2000 | SGP65A | UCPA204 | 25xw 163 | #50 × 13TSW | 73 | 66.34 | 20 | 33 | W 163 | W 97 | 32 | 25 | 18 | 22 |
| KPR-895013SW | 89.1 × 4.2 | 300 ~ 2000 | SGP80A | UCPA206 | 35xw 169 | #50 × 13TSW | 73 | 66.34 | 30 | 39 | W 169 | W 91 | 29 | 25 | 18 | 19 |
| KPR-1015018SW | 101.6 × 4.5 | 300 ~ 2000 | SGP90A | UCPA206 | 35xw 169 | #50 × 18TSW | 98 | 91.42 | 30 | 39 | W 169 | W 91 | 29 | 25 | 18 | 19 |
| KPR-1145018SW | 114.3 × 4.5 | 300 ~ 2000 | SGP100A | UCPA206 | 35xw 169 | #50 × 18TSW | 98 | 91.42 | 30 | 39 | W 169 | W 91 | 29 | 25 | 18 | 19 |
| KPR-1405018SW | 139.8 × 4.5 | 300 ~ 2000 | Sgp125a | UCPA206 | 35xw 169 | #50 × 18TSW | 98 | 91.42 | 30 | 39 | W 169 | W 91 | 29 | 25 | 18 | 19 |

พิมพ์ ขนาดลูกกลิ้ง ความกว้างของลูกกลิ้ง วัสดุลูกกลิ้ง ...
| พิมพ์ | ขนาดลูกกลิ้ง | ความกว้างของลูกกลิ้ง | วัสดุลูกกลิ้ง | การแบก | เส้นผ่านศูนย์กลางเพลา | ขนาดซับ | เฟือง | |||||
| MAC-CN384010S | 38.1 × 2.3 | 100 ~ 800 | STKM | 6001ZZ · 6201Z | 12.0 | 18 × 12.2 × 17 | #40 × 10ts | |||||
| MAC-CN424010S | 42.7 × 2.3 | 100 ~ 1,000 | STKM | 6001ZZ · 6201Z | 12.0 | 18x12.2 × 17 | #40 × 10ts | |||||
| MAC-CN484010S | 48.6 × 3.5 | 100 ~ 1,000 | SGP40A | 60012Z · 6201Z | 12.0 | 18 × 12.2 × 17 | #40 × 10ts | |||||
| MAC-CN504010S | 50.8 × 1.6 | 100 ~ 1,000 | STKM | 6001ZZ · 6201Z | 12.0 | 18 × 12.2 × 17 | #40 × 10ts | |||||
| MAC-CN574010S | 57.1 × 2.1 | 100 ~ 1,000 | STKM | 6001ZZ · 6201Z | 12.0 | 18 × 12.2 × 17 | #40 × 10ts | |||||
| MAC-CN604010S | 60.5 × 2.3 | 100 ~ 1,000 | STKM | 6001ZZ · 6201Z | 12.0 | 18 × 12.2 × 17 | #40 × 10ts | |||||
| พิมพ์ | ขนาดลูกกลิ้ง | ความกว้างของลูกกลิ้ง | วัสดุลูกกลิ้ง | การแบก | เส้นผ่านศูนย์กลางเพลา | เฟือง | ||||||
| MAC-CS384010S | 38.1 × 2.3 | 100 ~ 800 | STKM | 6001ZZ · 6201Z | 12.0 | #40 × 10ts | ||||||
| MAC-CS424010S | 42.7 × 2.3 | 100 ~ 1,000 | STKM | 6001ZZ · 6201Z | 12.0 | #40 × 10ts | ||||||
| MAC-CS484010S | 48.6 × 3.5 | 100 ~ 1,000 | SGP40A | 6001ZZ · 6201Z | 12.0 | #40 × 10ts | ||||||
| MAC-CS504010S | 50.8 × 1.6 | 100 ~ 1,000 | STKM | 6001ZZ · 6201Z | 12.0 | #40 × 10ts | ||||||
| MAC-CS574010S | 57.1 × 2.1 | 100 ~ 1,000 | STKM | 6001ZZ · 6201Z | 12.0 | #40 × 10ts | ||||||
| MAC-CS604010S | 60.5 × 2.3 | 100 ~ 1,000 | STKM | 6001ZZ · 6201Z | 12.0 | #40 × 10TS | ||||||

พิมพ์ ขนาดลูกกลิ้ง ความกว้างของลูกกลิ้ง วัสดุลูกกลิ้ง ...
| พิมพ์ | ขนาดลูกกลิ้ง | ความกว้างของลูกกลิ้ง | วัสดุลูกกลิ้ง | การแบก | เส้นผ่านศูนย์กลางเพลา | ขนาดซับ | เฟือง |
| MAC-CN384010SW | 38.1 × 2.3 | 100 ~ 800 | STKM | 6001Z · 6201Z | 12.0 | 18 × 12.2 × 17 | #40 × 10ts |
| MAC-CN424010SW | 42.7 × 2.3 | 100 ~ 1,000 | STKM | 6001ZZ · 6201Z | 12.0 | 18 × 12.2 × 17 | #40 × 10ts |
| MAC-CN484010SW | 48.6 × 3.5 | 100 ~ 1,000 | SGP40A | 6001ZZ · 6201Z | 12.0 | 18 × 12.2 × 17 | #40 × 10ts |
| MAC-CN504010SW | 50.8 × 1.6 | 100 ~ 1,000 | STKM | 6001Z · 6201Z | 12.0 | 18 × 12.2 × 17 | #40 × 10ts |
| MAC-CN574010SW | 57.1 × 2.1 | 100 ~ 1,000 | STKM | 6001ZZ · 6201Z | 12.0 | 18 × 12.2 × 17 | #40 × 10ts |
| MAC-CN604010SW | 60.5 × 2.3 | 100 ~ 1,000 | STKM | 6001ZZ · 6201Z | 12.0 | 18 × 12.2 × 17 | #40 × 10TS |

พิมพ์ ขนาดลูกกลิ้ง ความกว้างของลูกกลิ้ง วัสดุลูกกลิ้ง ...
| พิมพ์ | ขนาดลูกกลิ้ง | ความกว้างของลูกกลิ้ง | วัสดุลูกกลิ้ง | การแบก | เส้นผ่านศูนย์กลางเพลา | ขนาดซับ | เฟือง | D1 | D2 |
| MAC-CN605010SWS | 60.5 × 2.3 | 100 ~ 1,000 | STKM | 6002Z7 · 61902Z | 15.0 | 20 × 15.2 × 16 | #50 × 10ts | 57.43 | 51.37 |
| MAC-CN765013SW | 76.3 × 2.0 | 100 ~ 1,000 | STKM | 6204ZZ · 61904Z | 20.0 | 25 × 20.2 × 22 | #50 × 13TS | 73 | 66.34 |

R ศูนย์ 1000 ความยาวรวม ความกว้างของลูกกลิ้ง ...
| R ศูนย์ | 1000 | ความยาวรวม | ความกว้างของลูกกลิ้ง | สายพานลำเลียง | เส้นทางแคบ | เส้นผ่าศูนย์กลางขนาดใหญ่ | กำลังโหลดลูกกลิ้ง | น้ำหนักลูกกลิ้ง | |||
| เฟือง | #40 × 10TSW | () | ความหนา | () | ความหนา | ||||||
| W ความกว้างของลูกกลิ้ง | 200 ~ 600 | 258 | 200 | 260 | 51.5 | 3.0 | 62.5 | 2.6 | 1842 | 1236 | |
| วัสดุลูกกลิ้ง | STKM | 358 | 300 | 360 | 48.8 | 3.0 | 65.2 | 2.6 | 1215 | 1643 | |
| การเป็นถั่ว | 6001ZZ · 6201Z | 458 | 400 | 460 | 46.0 | 3.1 | 68.0 | 2.6 | 911 | 2050 | |
| เส้นผ่านศูนย์กลางเพลาฐาน | 12.0 | 558 | 500 | 560 | 43.3 | 3.2 | 70.7 | 2.4 | 725 | 2456 | |
| DC × DC × LC/Liner ขนาด | 18 × 12.2 × 53 · 18 × 12.2 × 7 | 658 | 600 | 660 | 41.3 | 3.3 | 74.0 | 2.3 | 597 | 2863 | |
| R ศูนย์ | 1200 | ความยาวรวม | ความกว้างของลูกกลิ้ง | สายพานลำเลียง | เส้นทางแคบ | เส้นผ่าศูนย์กลางขนาดใหญ่ | กำลังโหลดลูกกลิ้ง | น้ำหนักลูกกลิ้ง | |||
| เฟือง | #40 × 10TSW | () | ความหนา | () | ความหนา | ||||||
| W ความกว้างของลูกกลิ้ง | 200 ~ 600 | 258 | 200 | 260 | 52.1 | 2.9 | 61.9 | 2.5 | 1842 | 1.132 | |
| วัสดุลูกกลิ้ง | STKM | 358 | 300 | 360 | 49.7 | 3.0 | 64.3 | 2.4 | 1215 | 1487 | |
| การเป็นถั่ว | 6001ZZ · 6201Z | 458 | 400 | 460 | 47.3 | 3.1 | 65.7 | 2.4 | 911 | 1842 | |
| เส้นผ่านศูนย์กลางเพลาฐาน | 12.0 | 558 | 500 | 560 | 45.0 | 3.2 | 69.2 | 2.8 | 725 | 2197 | |
| DC × DC × LC/Liner ขนาด | 18 × 12.2 × 53 · 18 × 12.2 × 7 | 658 | 600 | 660 | 45.0 | 3.2 | 74.0 | 2 | 597 | 2552 | |
| R ศูนย์ | 1500 | ความยาวรวม | ความกว้างของลูกกลิ้ง | สายพานลำเลียง | เส้นทางแคบ | เส้นผ่าศูนย์กลางขนาดใหญ่ | กำลังโหลดลูกกลิ้ง | น้ำหนักลูกกลิ้ง | |||
| เฟือง | #40 × 10TSW | () | ความหนา | () | ความหนา | ||||||
| W ความกว้างของลูกกลิ้ง | 200 ~ 600 | 258 | 200 | 260 | 52.6 | 2.7 | 61.4 | 2.8 | 1842 | 1233 | |
| วัสดุลูกกลิ้ง | STKM | 358 | 300 | 360 | 50.4 | 2.9 | 63.6 | 2.7 | 1215 | 1645 | |
| การเป็นถั่ว | 6001ZZ · 6201Z | 458 | 400 | 460 | 48.0 | 3.1 | 65.4 | 2.4 | 911 | 2046 | |
| เส้นผ่านศูนย์กลางเพลาฐาน | 12.0 | 558 | 500 | 560 | 48.0 | 3.4 | 69.8 | 2.4 | 725 | 2452 | |
| DC × DC × LC/Liner ขนาด | 18 × 12.2 × 53 · 18 × 12.2 × 7 | 658 | 600 | 660 | 48.0 | 3.1 | 74.0 | 2.1 | 597 | 2.86 | |
| R ศูนย์ | 2000 | ความยาวรวม | ความกว้างของลูกกลิ้ง | wde ของสายพานลำเลียง | เส้นทางแคบ | เส้นผ่าศูนย์กลางขนาดใหญ่ | กำลังโหลดลูกกลิ้ง | น้ำหนักลูกกลิ้ง | |||
| เฟือง | #40 × 10TSW | () | ความหนา | () | ความหนา | ||||||
| W ความกว้างของลูกกลิ้ง | 400 ~ 800 | 458 | 400 | 460 | 50.0 | 3.0 | 62.5 | 2.3 | 911 | 1990 | |
| วัสดุลูกกลิ้ง | STKM | 558 | 500 | 560 | 50.0 | 3.0 | 65.6 | 2.2 | 725 | 2398 | |
| การเป็นถั่ว | 6001ZZ · 6201Z | 658 | 600 | 660 | 50.0 | 3.0 | 68.8 | 2.2 | 597 | 2797 | |
| เส้นผ่านศูนย์กลางเพลาฐาน | 12.0 | 758 | 700 | 760 | 50.0 | 3.0 | 71.9 | 2.1 | 519 | 3210 | |
| DC × DC × LC/Liner ขนาด | 18 × 12.2 × 53 · 18 × 12.2 × 7 | 858 | 800 | 860 | 50.0 | 3.0 | 75.0 | 2.0 | 450 | 3620 | |

R ศูนย์ 500 ความยาวรวม ความกว้างของลูกกลิ้ง ...
| R ศูนย์ | 500 | ความยาวรวม | ความกว้างของลูกกลิ้ง | สายพานลำเลียง | เส้นทางแคบ | เส้นผ่าศูนย์กลางขนาดใหญ่ | |
| เฟือง | #40 × 10TSW | () | () | ||||
| W ความกว้างของลูกกลิ้ง | 300 ~ 700 | 328 | 300 | 330 | 42.7 | 60 | |
| วัสดุลูกกลิ้ง | STKM | 428 | 400 | 430 | 42.7 | 65 | |
| การเป็นถั่ว | 6001ZZ · 6201Z | 528 | 500 | 530 | 42.7 | 75 | |
| เส้นผ่านศูนย์กลางเพลาฐาน | 12.0 | 628 | 600 | 630 | 42.7 | 80 | |
| DC × DC × LC/Liner ขนาด | 18 × 12.2 × 27 · 18 × 12.2 × 7 | 728 | 700 | 730 | 42.7 | 89 |
| R ศูนย์ | 900 | ความยาวรวม | ความกว้างของลูกกลิ้ง | สายพานลำเลียง | เส้นทางแคบ | เส้นผ่าศูนย์กลางขนาดใหญ่ | |
| เฟือง | #40 × 10TSW | () | () | ||||
| W ความกว้างของลูกกลิ้ง | 300 ~ 700 | 328 | 300 | 330 | 42.7 | 56 | |
| วัสดุลูกกลิ้ง | STKM | 428 | 400 | 430 | 42.7 | 60 | |
| การเป็นถั่ว | 6001ZZ · 6201Z | 528 | 500 | 530 | 42.7 | 65 | |
| เส้นผ่านศูนย์กลางเพลาฐาน | 12.0 | 628 | 600 | 630 | 42.7 | 70 | |
| DC × DC × LC/Liner ขนาด | 18 × 12.2 × 27 · 18 × 12.2 × 7 | 728 | 700 | 730 | 42.7 | 75 |
| R ศูนย์ | 900 | ความยาวรวม | ความกว้างของลูกกลิ้ง | สายพานลำเลียง | เส้นทางแคบ | เส้นผ่าศูนย์กลางขนาดใหญ่ | |
| เฟือง | #40 × 10TSW | () | () | ||||
| W ความกว้างของลูกกลิ้ง | 800 ~ 1,000 | 828 | 800 | 830 | 42.7 | 65 | |
| วัสดุลูกกลิ้ง | STKM | 928 | 900 | 930 | 42.7 | 70 | |
| การเป็นถั่ว | 6001ZZ · 6201Z | 1028 | 1000 | 1030 | 42.7 | 75 | |
| เส้นผ่านศูนย์กลางเพลาฐาน | 12.0 | ||||||
| DC × DC × LC/Liner ขนาด | 18 × 12.2 × 27 · 18 × 12.2 × 7 |

พิมพ์ ขนาดลูกกลิ้ง ความกว้างของลูกกลิ้ง วัสดุลูกกลิ้ง ...
| พิมพ์ | ขนาดลูกกลิ้ง | ความกว้างของลูกกลิ้ง | วัสดุลูกกลิ้ง | การแบก | เส้นผ่านศูนย์กลางเพลา | ลูกรอก |
| DQR-3812 | 38.1 × 12 | 100 ~ 1,000 | STKM | 6001zz | 12.0 | Q235 |
| DQRS-3815 | 38.1 × 1.5 | 100 ~ 1,000 | sus304/201 | 6001zz | 12.0 | Q235/sus |
| DQR-5015 | 50.8 × 1.5 | 100 ~ 1,000 | STKM | 6002zz | 12.0 | เรซิน |
| DQRS-5015 | 50 × 1.5 | 100 ~ 1,000 | sus304/201 | 6002zz | 12.0 | เรซิน |
| DQR-5721 | 57.2 × 2.1 | 100 ~ 1,000 | STKM | 6001zz | 12.0 | Q235 |
| DQR-6023 | 60.5 × 2.3 | 100 ~ 1,000 | STKM | 6002zz | 12.0 | Q235 |
| DQRS-6020 | 60 × 2.0 | 100 ~ 1,000 | sus304/201 | 6002zz | 12.0 | Q235/SUS/RESIN |
| DQR-7620 | 76.3 × 2.0 | 100 ~ 1,000 | STKM | 6001zz | 12.0 | Q235 |
| DQRS-7620 | 76 × 2.0 | 100 ~ 1,000 | sus304/201 | 6001zz | 12.0 | Q235/SUS |

พิมพ์ ขนาดลูกกลิ้ง ความกว้างของลูกกลิ้ง วัสดุลูกกลิ้ง ...
| พิมพ์ | ขนาดลูกกลิ้ง | ความกว้างของลูกกลิ้ง | วัสดุลูกกลิ้ง | การแบก | เส้นผ่านศูนย์กลางเพลา | Vnbbed Pully |
| VR-3812 | 38.1 × 1.2 | 100 ~ 1,000 | STKM | 6001zz | 12.0 | Q235 |
| VRS-3815 | 38 × 1.5 | 100 ~ 1,000 | sus304/201 | 6001zz | 12.0 | Q235/sus |
| VR-5015 | 50.8 × 1.5 | 100 ~ 1,000 | STKM | 6001zz | 12.0 | Q235 |
| VRS-5015 | 50 × 1.5 | 100 ~ 1,000 | sus304/201 | 6001zz | 12.0 | Q235/sus |
| VR-5721 | 57.2 × 2.1 | 100 ~ 1,000 | STKM | 6001zz | 12.0 | Q235 |
| VR-6023 | 60.5 × 2.3 | 100 ~ 1,000 | STKM | 6001zz | 12.0 | Q235 |
| VRS-6020 | 60 × 2.0 | 100 ~ 1,000 | sus304/201 | 6001zz | 12.0 | Q235/sus |
| VR-7620 | 76.3 × 2.0 | 100 ~ 1,000 | STKM | 6001zz | 12.0 | Q235 |
| VRS-7620 | 76 × 2.0 | 100 ~ 1,000 | sus304/201 | 6001zz | 12.0 | Q235/SUS |

พิมพ์ ขนาดลูกกลิ้ง ความกว้างของลูกกลิ้ง วัสดุลูกกลิ้ง ...
| พิมพ์ | ขนาดลูกกลิ้ง | ความกว้างของลูกกลิ้ง | วัสดุลูกกลิ้ง | เส้นผ่านศูนย์กลางเพลา | การแบก |
| หรือ -3812 | 38.1 × 1.2 | 100 ~ 1,000 | STKM | 12.0 | เอสเอส |
| ORS-3815 | 38.1 × 1.5 | 100 ~ 1,000 | sus304/201 | 12.0 | เอสเอส/SUS |
| OR-4214 | 42.7 × 1.4 | 100 ~ 1,000 | STKM | 12.0 | เอสเอส |
| OR-5015 | 50.8 × 1.5 | 100 ~ 1,000 | STKM | 12.0 | เอสเอส |
| ORS-5015 | 50 × 1.5 | 100 ~ 1,000 | sus304/201 | 12.0 | เอสเอส/เรซิน |
| หรือ -5721 | 57.2 × 2.1 | 100 ~ 1,000 | STKM | 12.0 | SS |
| หรือ -6023 | 60.5 × 2.3 | 100 ~ 1,000 | STKM | 12.0 | SS |
| ORS-6020 | 60 × 2.0 | 100 ~ 1,000 | sus304/201 | 12.0 | SS/Resin |
เหตุใดการบำรุงรักษาลูกกลิ้งลำเลียงจึงส่งผลโดยตรงต่ออายุการใช้งานของระบบ ลูกกลิ้งลำเลียง ...
อ่านเพิ่มเติมอะไรทำให้ลูกกลิ้งลำเลียงมีงานหนักอย่างแท้จริง สายพานลำเลียงลูกกลิ้งสำหรับงานหนักไม่ได้ถูกกำหนดโด...
อ่านเพิ่มเติมสายพานลำเลียงแบบลูกกลิ้งคืออะไร และเหตุใดประเภทจึงมีความสำคัญ ลูกกลิ้งลำเลียง เป็นระบบข...
อ่านเพิ่มเติมเหตุใดลูกกลิ้งลำเลียงจึงยังคงเป็นแกนหลักของการจัดการวัสดุ ลูกกลิ้งลำเลียง ปรับปรุงประสิ...
อ่านเพิ่มเติมระบบสายพานลำเลียง ขนย้ายวัสดุหลายล้านตันทุกวันไปยังโรงงาน โกดัง ไซต์เหมืองแร่ และศูนย์กระจายส...
อ่านเพิ่มเติมข้อได้เปรียบของผลิตภัณฑ์ของ Wuxi Huiqian ลูกกลิ้งขับเคลื่อน : ความทนทานสูงและความสามารถในการรับน้ำหนัก
Wuxi Huiqian Logistics Machinery Manuthuring Co. , Ltd, มีชื่อเสียงในด้านเทคโนโลยีโลจิสติกส์ขั้นสูงของญี่ปุ่นตั้งอยู่ในระดับแนวหน้าของนวัตกรรมในอุตสาหกรรมการจัดการวัสดุ บริษัท มีความเชี่ยวชาญในการผลิตอุปกรณ์โลจิสติกส์คุณภาพสูงที่หลากหลายรวมถึง ลูกกลิ้งขับเคลื่อน , สายพานลูกกลิ้งและส่วนประกอบที่สำคัญอื่น ๆ อีกมากมาย ด้วยความไม่แน่นอนความน่าเชื่อถือและประสิทธิภาพการทำงานลูกกลิ้งขับเคลื่อนของ Wuxi Huiqian ได้รับการออกแบบมาเพื่อตอบสนองความต้องการที่หลากหลายของอุตสาหกรรมที่พึ่งพาระบบการจัดการวัสดุที่มีประสิทธิภาพและเชื่อถือได้
ลูกกลิ้งขับเคลื่อนมีบทบาทสำคัญในกระบวนการโลจิสติกส์และการผลิตจำนวนมาก ไม่ว่าจะเป็นการเคลื่อนย้ายไอเท็มขนาดใหญ่หรือแพ็คเกจขนาดเล็กลูกกลิ้งเหล่านี้เป็นส่วนสำคัญของระบบอัตโนมัติที่ปรับปรุงเวิร์กโฟลว์และเพิ่มประสิทธิภาพ ลูกกลิ้งขับเคลื่อนของ Wuxi Huiqian รวมถึงลูกกลิ้งเฟืองแบบไดรฟ์และลูกกลิ้งไดรฟ์เรียวได้รับการออกแบบทางวิศวกรรมเพื่อความทนทานและประสิทธิภาพที่ดีที่สุดในสภาพแวดล้อมการทำงานที่หลากหลาย การรวมกันของวัสดุขั้นสูงเทคโนโลยีที่ทันสมัยและการออกแบบที่ปรับแต่งได้ทำให้ลูกกลิ้งเหล่านี้เป็นตัวเลือกที่ต้องการสำหรับอุตสาหกรรมทั่วโลก
Wuxi Huiqian ลูกกลิ้งขับเคลื่อน ได้รับการออกแบบมาเพื่อทนต่อภาระหนักและการใช้งานอย่างต่อเนื่องในสภาพแวดล้อมที่ต้องการ ลูกกลิ้งถูกสร้างขึ้นโดยใช้วัสดุที่มีความแข็งแรงสูงเช่นเหล็กและสแตนเลสซึ่งทำให้มั่นใจได้ว่าประสิทธิภาพที่ยาวนานแม้ภายใต้สภาวะที่เข้มงวด ความทนทานของวัสดุเหล่านี้รับประกันได้ว่าลูกกลิ้งสามารถจัดการความสามารถในการโหลดที่แตกต่างกันตั้งแต่ส่วนประกอบอุตสาหกรรมแสงไปจนถึงชิ้นส่วนเครื่องจักรกลหนักโดยไม่ลดทอนความสมบูรณ์ของโครงสร้าง
โดยเฉพาะอย่างยิ่งลูกกลิ้งเฟืองแบบไดรฟ์ถูกสร้างขึ้นด้วยเหล็กที่ทนทานและมีคุณภาพสูงเพื่อให้แน่ใจว่าพวกเขาสามารถทนต่อแรงบิดที่จำเป็นในการขับเคลื่อนระบบสายพานลำเลียงในการใช้งาน ในทำนองเดียวกันลูกกลิ้งไดรฟ์เรียวออกแบบด้วยมุมเพื่ออำนวยความสะดวกในการทำงานที่ราบรื่นยังแสดงความแข็งแรงและความเสถียรสูงภายใต้สภาวะโหลดหนัก การเลือกวัสดุขั้นสูงช่วยลดการสึกหรอเพิ่มความสามารถของลูกกลิ้งในการทำงานตลอดอายุการใช้งานที่ยาวนาน
หนึ่งในข้อได้เปรียบที่สำคัญของลูกกลิ้งขับเคลื่อน Wuxi Huiqian คือความเก่งกาจและการปรับตัวเพื่อตอบสนองความต้องการเฉพาะของลูกค้า ด้วยทีม R&D ที่แข็งแกร่งที่หางเสือ บริษัท สามารถพัฒนาโซลูชันที่กำหนดเองซึ่งสอดคล้องกับความต้องการการดำเนินงานที่ไม่เหมือนใคร ลูกกลิ้งขับเคลื่อนสามารถปรับแต่งในแง่ของขนาดวัสดุและฟังก์ชั่นเพื่อให้เหมาะกับการใช้งานที่หลากหลาย ไม่ว่าจะเป็นการปรับแต่งเส้นผ่านศูนย์กลางลูกกลิ้งความยาวหรือการเพิ่มการเคลือบแบบพิเศษ Wuxi Huiqian ทำงานอย่างใกล้ชิดกับลูกค้าเพื่อให้แน่ใจว่าผลิตภัณฑ์ตรงกับข้อกำหนดที่แน่นอน
ความสามารถในการจัดหาโซลูชั่นที่ปรับแต่งทำให้ลูกกลิ้งขับเคลื่อนเหล่านี้เหมาะสำหรับอุตสาหกรรมต่าง ๆ รวมถึงการผลิตยานยนต์การผลิตอาหารและเครื่องดื่มคลังสินค้าโลจิสติกส์และอีคอมเมิร์ซ ลูกกลิ้งสามารถปรับให้เข้ากับระบบสายพานลำเลียงประเภทต่าง ๆ และสายการผลิตทำให้เป็นองค์ประกอบที่หลากหลายในการดำเนินการจัดการวัสดุใด ๆ
Wuxi Huiqian เป็นที่รู้จักกันดีในเรื่องมาตรฐานระดับสูงของวิศวกรรมความแม่นยำซึ่งเป็นสิ่งสำคัญสำหรับการรับรองประสิทธิภาพที่เชื่อถือได้ของลูกกลิ้งขับเคลื่อน บริษัท ใช้เครื่อง CNC ขั้นสูง (การควบคุมตัวเลขคอมพิวเตอร์) เพื่อผลิตลูกกลิ้งขับเคลื่อนด้วยความแม่นยำพิเศษ ความแม่นยำนี้รับประกันได้ว่าลูกกลิ้งถูกสร้างขึ้นตามข้อกำหนดที่แน่นอนที่จำเป็นสำหรับแต่ละแอปพลิเคชันที่ไม่ซ้ำกันลดโอกาสของการทำงานผิดปกติหรือความไร้ประสิทธิภาพ
การใช้เครื่องจักร CNC ยังช่วยให้มั่นใจได้ว่าลูกกลิ้งจะผลิตอย่างต่อเนื่องในปริมาณมากทำให้สามารถรักษามาตรฐานการผลิตที่สูงและลดความเสี่ยงของข้อบกพร่อง ความแม่นยำยังขยายไปถึงการออกแบบของเฟืองและคุณสมบัติเรียวเพื่อให้มั่นใจว่าส่วนประกอบที่สำคัญเหล่านี้ทำงานได้อย่างราบรื่นและราบรื่นในการประกอบขั้นสุดท้าย
ลูกกลิ้งขับเคลื่อน Wuxi Huiqian ได้รับการออกแบบมาเพื่อให้ประสิทธิภาพในการปฏิบัติงานสูงในขณะที่ต้องการการบำรุงรักษาน้อยที่สุด ลูกกลิ้งได้รับการออกแบบทางวิศวกรรมเพื่อลดแรงเสียดทานและการสึกหรอซึ่งจะลดความถี่ของงานบำรุงรักษาและยืดอายุการใช้งานของอุปกรณ์ คุณลักษณะนี้มีความสำคัญอย่างยิ่งในอุตสาหกรรมที่จำเป็นต้องมีการดำเนินงานอย่างต่อเนื่องและต้องลดเวลาหยุดทำงาน
ลูกกลิ้งเฟืองแบบไดรฟ์ได้รับการออกแบบด้วยฟันที่เชื่อมต่อกันซึ่งลดการลื่นไถลและเพิ่มการถ่ายโอนพลังงานเพื่อให้แน่ใจว่าระบบสายพานลำเลียงทำงานได้อย่างมีประสิทธิภาพแม้ภายใต้สภาวะโหลดสูง ในทำนองเดียวกันลูกกลิ้งไดรฟ์เรียวได้รับการออกแบบมาเพื่อลดความเสี่ยงของความเสียหายต่อสายพานลำเลียงหรือส่วนประกอบโดยรอบเพื่อปรับปรุงความน่าเชื่อถือโดยรวมของระบบ
การออกแบบการบำรุงรักษาต่ำของลูกกลิ้งขับเคลื่อนของ Wuxi Huiqian ช่วยลดค่าใช้จ่ายในการปฏิบัติงานโดยการลดความต้องการการบำรุงรักษาและศักยภาพในการหยุดทำงานที่ไม่คาดคิด นอกจากนี้ บริษัท ยังมีระบบบริการหลังการขายที่ครอบคลุมเพื่อให้มั่นใจว่าปัญหาใด ๆ จะได้รับการแก้ไขทันทีและลูกค้าสามารถรักษาการทำงานที่ราบรื่นของอุปกรณ์ของพวกเขา
ลูกกลิ้งขับเคลื่อนจาก Wuxi Huiqian ได้รับการออกแบบให้ประหยัดพลังงานซึ่งเป็นสิ่งสำคัญสำหรับการลดต้นทุนการดำเนินงานของระบบการจัดการวัสดุ ลูกกลิ้งได้รับการออกแบบทางวิศวกรรมเพื่อลดการใช้พลังงานในขณะที่รักษาพลังงานที่จำเป็นในการขับเคลื่อนระบบสายพานลำเลียง การมุ่งเน้นไปที่ประสิทธิภาพการใช้พลังงานแปลเป็นค่าไฟฟ้าที่ลดลงสำหรับธุรกิจซึ่งมีส่วนช่วยในการประหยัดต้นทุนโดยรวมและความยั่งยืนด้านสิ่งแวดล้อม
ในยุคที่ธุรกิจมีความกังวลเกี่ยวกับผลกระทบต่อสิ่งแวดล้อมมากขึ้นการออกแบบพลังงานอย่างประหยัดพลังงานของลูกกลิ้งขับเคลื่อนของ Wuxi Huiqian ทำให้มั่นใจได้ว่า บริษัท ต่างๆสามารถดำเนินงานได้อย่างยั่งยืนโดยไม่ต้องเสียสละประสิทธิภาพหรือความน่าเชื่อถือ
ลูกกลิ้งเฟืองแบบไดรฟ์เป็นหนึ่งในลูกกลิ้งขับเคลื่อนที่ใช้กันมากที่สุดในระบบสายพานลำเลียง ลูกกลิ้งเหล่านี้ได้รับการออกแบบให้ขับเคลื่อนด้วยโซ่และติดตั้งเฟืองที่เชื่อมต่อกับโซ่เพื่อให้มั่นใจว่าการทำงานที่ราบรื่นและเชื่อถือได้ วัสดุที่ใช้สำหรับลูกกลิ้งขับเฟืองเป็นเหล็กคุณภาพสูงหรือสแตนเลสที่ได้รับการคัดเลือกสำหรับความแข็งแรงความทนทานและความสามารถในการจัดการกับแรงบิดที่เกิดจากไดรฟ์โซ่
ลูกกลิ้งเฟืองแบบไดรฟ์จาก Wuxi Huiqian ได้รับการออกแบบด้วยความคลาดเคลื่อนที่แม่นยำเพื่อให้แน่ใจว่าเฟืองที่เหมาะสมกับโซ่ลดการลื่นไถลและเพิ่มการส่งพลังงานให้สูงสุด ลูกกลิ้งยังได้รับการรักษาเพื่อต้านทานการสึกหรอและการกัดกร่อนเพิ่มอายุการใช้งานที่ยาวนานและลดความต้องการการบำรุงรักษา การใช้วัสดุที่มีความแข็งแรงสูงทำให้มั่นใจได้ว่าลูกกลิ้งเหล่านี้สามารถจัดการกับภาระหนักทำให้เหมาะสำหรับการใช้งานอุตสาหกรรมในการผลิตบรรจุภัณฑ์และการจัดจำหน่าย
ลูกกลิ้งไดรฟ์แบบเรียวมีการออกแบบรูปกรวยที่ช่วยให้การเคลื่อนที่ของวัสดุอย่างราบรื่นและมีประสิทธิภาพในระบบสายพานลำเลียง เรียวช่วยให้มั่นใจได้ว่าวัสดุจะถูกชี้นำอย่างราบรื่นไปตามสายพานลำเลียงลดแรงเสียดทานและเพิ่มประสิทธิภาพโดยรวมของระบบ วัสดุที่ใช้สำหรับลูกกลิ้งไดรฟ์แบบเรียวมักจะเป็นสแตนเลสสตีลหรือเหล็กกล้าอัลลอยด์ที่มีความแข็งแรงสูงซึ่งให้ความต้านทานที่ดีเยี่ยมต่อการสึกหรอและการกัดกร่อนทำให้เหมาะสำหรับสภาพแวดล้อมที่หลากหลายรวมถึงการแปรรูปอาหารยาและการใช้งานอุตสาหกรรมหนัก
การออกแบบเรียวยังมีส่วนช่วยในการจัดการความสามารถของลูกกลิ้งในการจัดการขนาดและน้ำหนักของวัสดุที่แตกต่างกัน ลูกกลิ้งไดรฟ์เรียวของ Wuxi Huiqian ผลิตขึ้นอย่างแม่นยำเพื่อให้แน่ใจว่ามุมเรียวนั้นสอดคล้องกันในทุกลูกกลิ้งให้ประสิทธิภาพสม่ำเสมอทั่วทั้งระบบสายพานลำเลียง
การใช้เหล็กกล้าไร้สนิมและเหล็กกล้าโลหะผสมในการสร้างลูกกลิ้งขับเคลื่อนทำให้มั่นใจได้ถึงความทนทานในสภาพแวดล้อมที่รุนแรงหรือกัดกร่อน วัสดุเหล่านี้มีความทนทานต่อการเกิดสนิมการกัดกร่อนและการเสียดสีทำให้เหมาะสำหรับอุตสาหกรรมที่ลูกกลิ้งสัมผัสกับความชื้นสารเคมีหรือความท้าทายด้านสิ่งแวดล้อมอื่น ๆ ตัวอย่างเช่นอุตสาหกรรมอาหารและเครื่องดื่มที่สุขอนามัยเป็นสิ่งสำคัญคือประโยชน์จากคุณสมบัติที่ทนต่อการกัดกร่อนของลูกกลิ้งสแตนเลสที่ขับเคลื่อนด้วยสแตนเลส
คุณสมบัติที่ทนต่อการกัดกร่อนของวัสดุยังช่วยรักษาความสมบูรณ์ของระบบสายพานลำเลียงเมื่อเวลาผ่านไปป้องกันการซ่อมแซมที่มีราคาแพงและสร้างความมั่นใจว่าประสิทธิภาพที่สอดคล้องกัน
Wuxi Huiqian Logistics Machinery Manufacturing Co. , ลูกกลิ้งขับเคลื่อนของ Ltd รวมถึงเฟืองขับและรุ่นไดรฟ์เรียวมีข้อได้เปรียบที่สำคัญในแง่ของความทนทานการปรับแต่งวิศวกรรมที่แม่นยำและประสิทธิภาพ ด้วยการใช้วัสดุที่มีคุณภาพสูงเช่นเหล็กและสแตนเลสลูกกลิ้งเหล่านี้ให้บริการโซลูชั่นการบำรุงรักษาที่ยาวนานและมีการบำรุงรักษาต่ำสำหรับอุตสาหกรรมตั้งแต่การผลิตยานยนต์ไปจนถึงโลจิสติกส์และการแปรรูปอาหาร ความสามารถในการจัดการกับภาระหนักลดการใช้พลังงานและทำงานได้อย่างราบรื่นในสภาพแวดล้อมที่ต้องการทำให้พวกเขาเป็นตัวเลือกที่เชื่อถือได้สำหรับธุรกิจใด ๆ ที่ต้องการเพิ่มประสิทธิภาพระบบการจัดการวัสดุ
นำงานฝีมือมาสู่อนาคต
No.60, Zhenhu North Road, เมือง Hudai, Binhu District, Wuxi 214100, จีน







