HJR-2015B
Cat:สายพานลำเลียงลูกกลิ้งเรซิ่น
ความกว้างของลูกกลิ้ง W (มม.) 100 200 300 40...
โครงสร้างขั้นสูงประสิทธิภาพที่มีคุณภาพสูงใช้งานง่ายความน่าเชื่อถือและความทนทานสูง
โดยทั่วไปแล้วเรซินลูกกลิ้งจะมีลูกกลิ้งพีวีซีที่มีตลับลูกปืนเรซิ่นและเพลา ตัวเลือกเฟรมรวมถึงเหล็กเคลือบผงสแตนเลสหรืออลูมิเนียม ประเภทสายพานลำเลียงนี้เหมาะสำหรับรายการที่มีน้ำหนักเบาและยังสามารถใช้ได้ในอุตสาหกรรมอาหารยาและเคมี

ความกว้างของลูกกลิ้ง W (มม.) 100 200 300 40...
| ความกว้างของลูกกลิ้ง W (มม.) | 100 | 200 | 300 | 400 | 500 | |
| ความกว้างของสายพานลำเลียง 45 (มม.) | 145 | 245 | 345 | 445 | 545 | |
| กำลังโหลดลูกกลิ้ง (กิโลกรัม) | 11.5 | 10.7 | 10 | 9.2 | 7.0 | |
| น้ำหนักสายพานลำเลียง 2000L (กก.) | 25p | 4.3 | 6.4 | 8.5 | 10.7 | 12.8 |
| 30p | 3.8 | 5.7 | 7.5 | 9.4 | 11.3 | |
| น้ำหนักลูกกลิ้ง (G) | 33 | 55 | 78 | 100 | 12.2 | |

ความกว้างของลูกกลิ้ง W (มม.) 100 200 300 40...
| ความกว้างของลูกกลิ้ง W (มม.) | 100 | 200 | 300 | 400 | |
| ความกว้างของสายพานลำเลียง 45 (มม.) | 145 | 245 | 345 | 445 | |
| กำลังโหลดลูกกลิ้ง (กิโลกรัม) | 13.5 | 12.6 | 12.5 | 11.8 | |
| น้ำหนักสายพานลำเลียง 2000L (กก.) | 30p | 6.5 | 8.5 | 11 | 19 |
| 40p | 5 | 7.5 | 10 | 12.3 | |
| น้ำหนักลูกกลิ้ง (G) | 50.5 | 75 | 115 | 145 | |

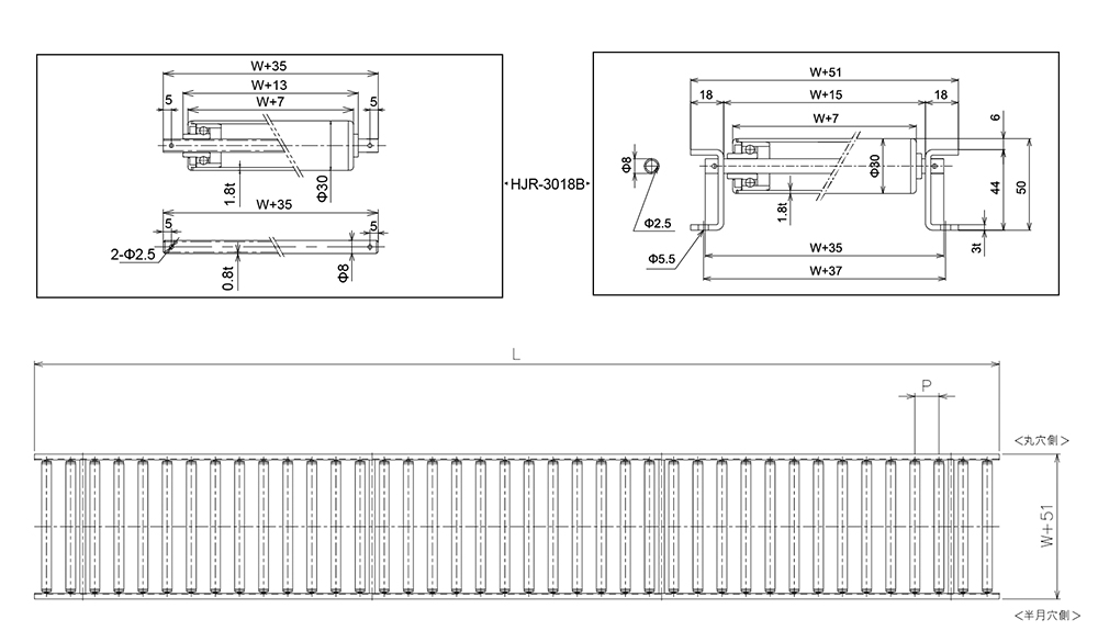
ความกว้างของลูกกลิ้ง W (มม.) 100 200 300 40...
| ความกว้างของลูกกลิ้ง W (มม.) | 100 | 200 | 300 | 400 | 500 | |
| ความกว้างของสายพานลำเลียง W 51 (มม.) | 151 | 251 | 351 | 451 | 551 | |
| กำลังโหลดลูกกลิ้ง (กิโลกรัม) | 16.5 | 15.7 | 15 | 14.2 | 13.5 | |
| น้ำหนักสายพาน 1500L (กิโลกรัม) | 40p | 7.2 | 10.8 | 14.5 | 18 | 21.7 |
| 50p | 6.2 | 9.2 | 12.2 | 15.1 | 18.2 | |
| น้ำหนักลูกกลิ้ง (G) | 64 | 106 | 149 | 191 | 235 | |

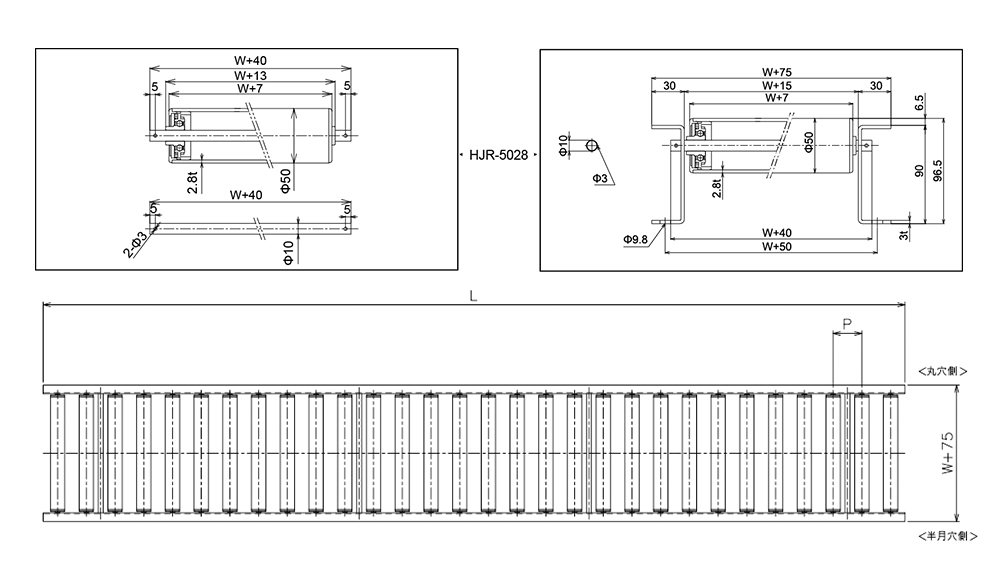
ความกว้างของลูกกลิ้ง W (มม.) 100 200 300 40...
| ความกว้างของลูกกลิ้ง W (มม.) | 100 | 200 | 300 | 400 | 500 | |
| ความกว้างของสายพานลำเลียง 75 (มม.) | 175 | 275 | 375 | 475 | 575 | |
| กำลังโหลดลูกกลิ้ง (กิโลกรัม) | 21.5 | 20.8 | 20.1 | 19.5 | 18.6 | |
| น้ำหนัก 3000L ของสายพานลำเลียง (กก.) | 50p | 11.5 | 15.2 | 18.8 | 22.5 | 26.2 |
| 75p | 9.7 | 12.3 | 14.8 | 17.5 | 20.0 | |
| น้ำหนักลูกกลิ้ง (G) | 91 | 145 | 199 | 253 | 307 | |

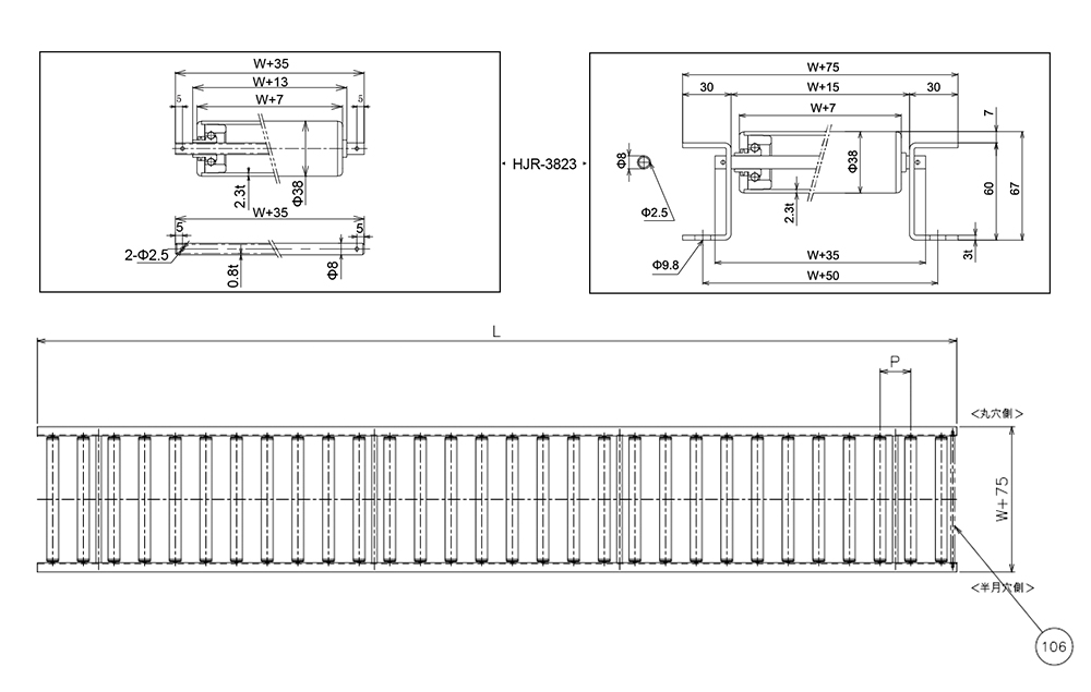
ความกว้างของลูกกลิ้ง W (มม.) 100 200 300 40...
| ความกว้างของลูกกลิ้ง W (มม.) | 100 | 200 | 300 | 400 | 500 | 600 | |
| ความกว้างของสายพานลำเลียง 75 (มม.) | 175 | 275 | 375 | 475 | 575 | 675 | |
| กำลังโหลดลูกกลิ้ง (กิโลกรัม) | 32 | 31 | 30 | 29.5 | 28.5 | 27.7 | |
| น้ำหนัก 3000L ของสายพานลำเลียง (กก.) | 75p | 13.5 | 17.7 | 22.0 | 26.1 | 30.5 | 34.1 |
| 100p | 12.1 | 15.3 | 18.6 | 21.9 | 25.2 | 27.8 | |
| น้ำหนักลูกกลิ้ง (G) | 148 | 243 | 339 | 435 | 530 | 626 | |

ความกว้างของลูกกลิ้ง W (มม.) 100 200 300 40...
| ความกว้างของลูกกลิ้ง W (มม.) | 100 | 200 | 300 | 400 | 500 | 600 | |
| ความกว้างของสายพานลำเลียง 75 (มม.) | 175 | 275 | 375 | 475 | 575 | 675 | |
| กำลังโหลดลูกกลิ้ง (กิโลกรัม) | 35 | 34 | 33 | 30 | 29 | 28.5 | |
| น้ำหนัก 3000L ของสายพานลำเลียง (กก.) | 75p | 14.4 | 19.3 | 24.2 | 29.0 | 34.0 | 38.2 |
| 100p | 12.7 | 16.5 | 20.3 | 23.9 | 27.8 | 30.9 | |
| น้ำหนักลูกกลิ้ง (G) | 172 | 283 | 395 | 506 | 617 | 728 | |
เหตุใดการบำรุงรักษาลูกกลิ้งลำเลียงจึงส่งผลโดยตรงต่ออายุการใช้งานของระบบ ลูกกลิ้งลำเลียง ...
อ่านเพิ่มเติมอะไรทำให้ลูกกลิ้งลำเลียงมีงานหนักอย่างแท้จริง สายพานลำเลียงลูกกลิ้งสำหรับงานหนักไม่ได้ถูกกำหนดโด...
อ่านเพิ่มเติมสายพานลำเลียงแบบลูกกลิ้งคืออะไร และเหตุใดประเภทจึงมีความสำคัญ ลูกกลิ้งลำเลียง เป็นระบบข...
อ่านเพิ่มเติมเหตุใดลูกกลิ้งลำเลียงจึงยังคงเป็นแกนหลักของการจัดการวัสดุ ลูกกลิ้งลำเลียง ปรับปรุงประสิ...
อ่านเพิ่มเติมระบบสายพานลำเลียง ขนย้ายวัสดุหลายล้านตันทุกวันไปยังโรงงาน โกดัง ไซต์เหมืองแร่ และศูนย์กระจายส...
อ่านเพิ่มเติมนำงานฝีมือมาสู่อนาคต
No.60, Zhenhu North Road, เมือง Hudai, Binhu District, Wuxi 214100, จีน







