HR-TC220
Cat:Taper Roller
ความกว้าง W (มม.) 200 A (φ) เส้นผ่าศูนย์กลาง ...
โครงสร้างขั้นสูงประสิทธิภาพที่มีคุณภาพสูงใช้งานง่ายความน่าเชื่อถือและความทนทานสูง
ยังเป็นที่รู้จักกันในชื่อสายพานลำเลียงลูกกลิ้งเส้นโค้ง, Taper Roller Conveyor ช่วยให้สามารถเปลี่ยนมุม 30, 45, 60, 90 และ 180 องศา ส่วนใหญ่จะใช้สำหรับการเปลี่ยนแปลงทิศทางในสายพานลำเลียงด้วย 30, 45 และ 60 องศามักจะใช้สำหรับการแตกแขนงและการรวมสายพาน สายพานลำเลียงนี้เป็นประเภทน้ำหนักเบาที่มีความสามารถในการโหลดโดยทั่วไปไม่เกิน 200 กิโลกรัม
| R | พิมพ์ \ width | 200 | 300 | 400 | 500 | 600 | 700 | 800 | 900 | 1000 | 1100 | 1200 | สนามลูกกลิ้ง |
| 220 | HR-TC220 | - | - | - | - | - | - | - | - | - | - | 50,75,100 | |
| 320 | HR-TC320 | - | - | - | - | - | - | - | - | - | - | 50,75,100 | |
| 500 | HR-TC500A | - | - | - | - | - | - | 75 | |||||
| 700 | HR-TC700 | - | - | - | - | - | - | 75,100,150 | |||||
| 900 | HR-TCN | - | - | - | - | - | 75,100,150 | ||||||
| HR-TC900 | - | - | - | - | - | - | 75,100,150 | ||||||
| HR-TC900A | - | - | - | - | - | 75,100 | |||||||
| HR-TCL | - | - | - | - | - | - | - | 75,100,150,200 | |||||
| 1200 | HR-TC1200 | - | - | - | - | - | - | 75,100,150 | |||||
| HR-TC1200A | - | - | - | - | - | - | 75.100 | ||||||
| 1600 | HR-TC1600 | - | - | - | - | - | - | 75,100,150,200 |

ความกว้าง W (มม.) 200 A (φ) เส้นผ่าศูนย์กลาง ...
| ความกว้าง W (มม.) | 200 | |
| A (φ) | เส้นผ่าศูนย์กลาง | 31.3 |
| ความหนา | 3.5 | |
| B (φ) | เส้นผ่าศูนย์กลาง | 60.5 |
| ความหนา | 2.0 | |
| กำลังโหลดลูกกลิ้ง (กิโลกรัม) | 100 | |

ความกว้าง W (มม.) 300 A (φ) เส้นผ่าศูนย์กลาง ...
| ความกว้าง W (มม.) | 300 | |
| A (φ) | เส้นผ่าศูนย์กลาง | 31.2 |
| ความหนา | 3.6 | |
| B (φ) | เส้นผ่าศูนย์กลาง | 60.5 |
| ความหนา | 2.1 | |
| กำลังโหลดลูกกลิ้ง (กิโลกรัม) | 100 | |

ความกว้าง W (มม.) 300 400 500 600 ...
| ความกว้าง W (มม.) | 300 | 400 | 500 | 600 | 700 | 800 | |
| A (φ) | เส้นผ่าศูนย์กลาง | 42.7 | 42.7 | 42.7 | 42.7 | 42.7 | 42.7 |
| ความหนา | 3.2 | 3.2 | 3.1 | 3.1 | 3.1 | 3.1 | |
| B (φ) | เส้นผ่าศูนย์กลาง | 56.8 | 61.3 | 66.4 | 71.3 | 76.2 | 80.0 |
| ความหนา | 2.1 | 2.1 | 2.1 | 2.1 | 2.0 | 2.0 | |
| กำลังโหลดลูกกลิ้ง (กิโลกรัม) | 100 | 90 | 85 | 76 | 59 | 54 | |

ความกว้าง W (มม.) 900 1000 1100 1200 ...
| ความกว้าง W (มม.) | 900 | 1000 | 1100 | 1200 | |
| A (φ) | เส้นผ่าศูนย์กลาง | 42.7 | 42.7 | 42.7 | 42.7 |
| ความหนา | 3.5 | 3.8 | 4.5 | 4.5 | |
| B (φ) | เส้นผ่าศูนย์กลาง | 86.7 | 91.0 | 95.3 | 100.0 |
| ความหนา | 2.0 | 1.8 | 2.0 | 1.8 | |
| กำลังโหลดลูกกลิ้ง (กิโลกรัม) | 110 | 95 | 87 | 80 | |

ความกว้าง W (มม.) 200 300 400 500 ...
| ความกว้าง W (มม.) | 200 | 300 | 400 | 500 | 600 | |
| A (φ) | เส้นผ่าศูนย์กลาง | 41.3 | 41.3 | 41.3 | 41.3 | 41.3 |
| ความหนา | 3.3 | 3.3 | 3.3 | 3.3 | 3.3 | |
| B (φ) | เส้นผ่าศูนย์กลาง | 52.2 | 57.6 | 63.1 | 68.6 | 74.0 |
| ความหนา | 2.5 | 2.4 | 2.4 | 2.3 | 2.3 | |

ความกว้าง W (มม.) 200 300 400 500 ...
| ความกว้าง W (มม.) | 200 | 300 | 400 | 500 | 600 | |
| A (φ) | เส้นผ่าศูนย์กลาง | 45.0 | 45.0 | 45.0 | 45.0 | 45.0 |
| ความหนา | 3.2 | 3.2 | 3.2 | 3.2 | 3.2 | |
| B (φ) | เส้นผ่าศูนย์กลาง | 54.9 | 59.9 | 64.9 | 69.8 | 74.8 |
| ความหนา | 2.2 | 2.2 | 2.1 | 2.1 | 2.0 | |

ความกว้าง W (มม.) 200 300 400 500 ...
| ความกว้าง W (มม.) | 200 | 300 | 400 | 500 | 600 | |
| A (φ) | เส้นผ่าศูนย์กลาง | 48.0 | 48.0 | 48.0 | 48.0 | 48.0 |
| ความหนา | 3.1 | 3.1 | 3.1 | 3.1 | 3.1 | |
| B (φ) | เส้นผ่าศูนย์กลาง | 56.8 | 61.2 | 65.7 | 70.1 | 74.5 |
| ความหนา | 2.3 | 2.3 | 2.2 | 2.2 | 2.1 | |

ความกว้าง W (มม.) 400 500 600 700 ...
| ความกว้าง W (มม.) | 400 | 500 | 600 | 700 | 800 | |
| A (φ) | เส้นผ่าศูนย์กลาง | 50.0 | 50.0 | 50.0 | 50.0 | 50.0 |
| ความหนา | 3.0 | 3.0 | 3.0 | 3.0 | 3.0 | |
| B (φ) | เส้นผ่าศูนย์กลาง | 63.0 | 66.3 | 69.5 | 72.8 | 76.0 |
| ความหนา | 2.3 | 2.2 | 2.2 | 2.1 | 2.0 | |

ความกว้าง W (มม.) 300 400 500 600 ...
| ความกว้าง W (มม.) | 300 | 400 | 500 | 600 | 700 | 800 | |
| A (φ) | เส้นผ่าศูนย์กลาง | 42 | 42 | 42 | 42 | 42 | 42 |
| ความหนา | 2 | 2 | 2 | 2 | 2 | 2 | |
| B (φ) | เส้นผ่าศูนย์กลาง | 79 | 91 | 103 | 116 | 128 | 140 |
| ความหนา | 20.5 | 26.5 | 32.5 | 39.0 | 45.0 | 51.0 | |

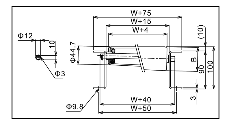
ความกว้าง W (มม.) 200 300 400 500 ...
| ความกว้าง W (มม.) | 200 | 300 | 400 | 500 | 600 | 700 | |
| A (φ) | เส้นผ่าศูนย์กลาง | 44.7 | 44.7 | 44.7 | 44.7 | 44.7 | 44.7 |
| ความหนา | 3.5 | 3.5 | 3.5 | 3.5 | 3.5 | 3.5 | |
| B (φ) | เส้นผ่าศูนย์กลาง | 54.6 | 59.6 | 64.5 | 69.5 | 74.4 | 75 |
| ความหนา | 2.4 | 2.3 | 2.3 | 2.2 | 2.2 | 2.2 | |

พิมพ์ เครื่องหมาย ความแข็ง ความต้านทานความร้อน ...
| พิมพ์ | เครื่องหมาย | ความแข็ง | ความต้านทานความร้อน | ความต้านทานเย็น | ความต้านทานน้ำมัน | สึกหรอ | |||
| ยางธรรมชาติ | NR | ประมาณ 60 | 120C | -50 °℃ | x | โอ | |||
| ยางไนไตรล์ | NBR | ประมาณ 60 | 130C ° | -10 ° C | โอ | โอ | |||
| ยางโพลียูรีเทน | PU | ประมาณ 90 | 80C ° | -30 ° C | โอ | โอ | |||
| ยางธรรมชาติ | ยางไนไตรล์ | ลูกกลิ้ง | เส้นผ่านศูนย์กลาง*ความหนา*เส้นผ่านศูนย์กลางแกน | ความกว้างของลูกกลิ้ง | |||||
| RR-4812P | RRG-4812P | R-3812P | 48*5*12 | 100 ~ 1500 | |||||
| RR-4816 | RRG-4816 | R-3816 | 48*5*12 | 100 ~ 1500 | |||||
| RR-6721P | RRG-6721P | R-5721P | 67*5*12 | 100 ~ 1500 | |||||

ประเภทการชุบ ข้อดี ความหนาของการชุบ ชุบสังกะสีไฟฟ...
| ประเภทการชุบ | ข้อดี | ความหนาของการชุบ |
| ชุบสังกะสีไฟฟ้า | สังกะสีสีขาว, สังกะสีสีน้ำเงิน-ขาว, โครเมียม trivalent | มากกว่า 5 ไมครอน |
| ชุบโครเมี่ยมแข็ง | ความแข็งสูง | มากกว่า 3 ไมครอน |
เหตุใดการบำรุงรักษาลูกกลิ้งลำเลียงจึงส่งผลโดยตรงต่ออายุการใช้งานของระบบ ลูกกลิ้งลำเลียง ...
อ่านเพิ่มเติมอะไรทำให้ลูกกลิ้งลำเลียงมีงานหนักอย่างแท้จริง สายพานลำเลียงลูกกลิ้งสำหรับงานหนักไม่ได้ถูกกำหนดโด...
อ่านเพิ่มเติมสายพานลำเลียงแบบลูกกลิ้งคืออะไร และเหตุใดประเภทจึงมีความสำคัญ ลูกกลิ้งลำเลียง เป็นระบบข...
อ่านเพิ่มเติมเหตุใดลูกกลิ้งลำเลียงจึงยังคงเป็นแกนหลักของการจัดการวัสดุ ลูกกลิ้งลำเลียง ปรับปรุงประสิ...
อ่านเพิ่มเติมระบบสายพานลำเลียง ขนย้ายวัสดุหลายล้านตันทุกวันไปยังโรงงาน โกดัง ไซต์เหมืองแร่ และศูนย์กระจายส...
อ่านเพิ่มเติมนำงานฝีมือมาสู่อนาคต
No.60, Zhenhu North Road, เมือง Hudai, Binhu District, Wuxi 214100, จีน







