W-26PS (ภายใน)
Cat:สายพานลำเลียงเรซิ่น
พิมพ์ ขนาดลูกกลิ้ง d*w*d*b เพลา ขนาดเฟรม ...
โครงสร้างขั้นสูงประสิทธิภาพที่มีคุณภาพสูงใช้งานง่ายความน่าเชื่อถือและความทนทานสูง

พิมพ์ ขนาดลูกกลิ้ง d*w*d*b เพลา ขนาดเฟรม ...
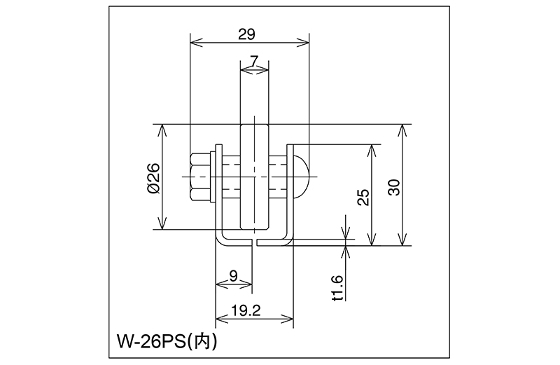
| พิมพ์ | ขนาดลูกกลิ้ง d*w*d*b | เพลา | ขนาดเฟรม ชม × W1 × W2 × W3 × T | ความสูง H | lENGEH L | สนามล้อ P | การโหลดล้อเดี่ยว (กก.) | วัสดุลูกกลิ้ง |
| W-26PS (ภายใน) | 26 × 8 × 6 × 16 | M6 × 25L | 25 × 19.2 × 9 × 29 × 1.6 | 30 | 1,000 · 1500 · 2000 | 30 · 35 | 30 | POM |

พิมพ์ ขนาดลูกกลิ้ง d*w*d*b เพลา ขนาดเฟรม ...
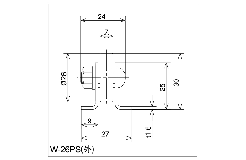
| พิมพ์ | ขนาดลูกกลิ้ง d*w*d*b | เพลา | ขนาดเฟรม ชม × W1 × W2 × W3 × T | ความสูง H | lENGEH L | สนามล้อ P | การโหลดล้อเดี่ยว (กก.) | วัสดุลูกกลิ้ง |
| W-26PS (ภายนอก) | 26 × 8 × 6 × 10 | M6 × 20L | 25 × 28 × 9 × 24 × 1.6 | 30 | 1,000 · 1500 · 2000 | 30 · 35 | 30 | POM |

พิมพ์ ขนาดลูกกลิ้ง d*w*d*b เพลา ขนาดเฟรม ...
| พิมพ์ | ขนาดลูกกลิ้ง d*w*d*b | เพลา | ขนาดเฟรม ชม × W1 × W2 × W3 × T | ความสูง H | lENGEH L | สนามล้อ P | การโหลดล้อเดี่ยว (กก.) | วัสดุลูกกลิ้ง |
| W-38GS | 38 × 12 × 6 × 27 | M6 × 38L | 45 × 32.6 × 10 × 42 × 2.3 | 52 | 1800 · 2400 · 3000 | 50 · 75 · 100 · 150 | 30 | POM |

พิมพ์ ขนาดลูกกลิ้ง d*w*d*b เพลา ขนาดเฟรม ...
| พิมพ์ | ขนาดลูกกลิ้ง d*w*d*b | เพลา | ขนาดเฟรม ชม × W1 × W2 × W3 × T | ความสูง H | lENGEH L | สนามล้อ P | การโหลดล้อเดี่ยว (กก.) | วัสดุลูกกลิ้ง |
| WB-36PS | 36 × 9 × 8 × 28 | M8 × 40L | 42.3 × 60 × 32 × 45 × 1.6 2.3 | 49.3 | 1800 · 2400 · 3000 | 50 · 75 · 100 | 10 | POM |

พิมพ์ ขนาดลูกกลิ้ง d*w*d*b เพลา ขนาดเฟรม ...
| พิมพ์ | ขนาดลูกกลิ้ง d*w*d*b | เพลา | ขนาดเฟรม ชม × W1 × W2 × W3 × T | ความสูง H | lENGEH L | สนามล้อ P | การโหลดล้อเดี่ยว (กก.) | วัสดุลูกกลิ้ง |
| SW-38GS | 38 × 12 × 6 × 27 | M6 × 38L | 45 × 31 × 8.5 × 42 × 1.8 | 53 | 1800 · 2400 · 3000 | 50 · 75 · 100 · 150 | 30 | POM |

พิมพ์ ขนาดลูกกลิ้ง d*w*d*b เพลา ขนาดเฟรม ...
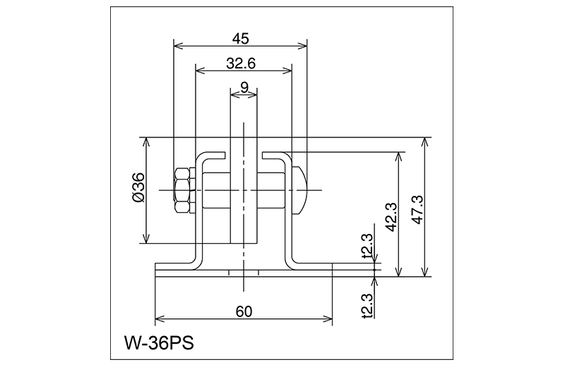
| พิมพ์ | ขนาดลูกกลิ้ง d*w*d*b | เพลา | ขนาดเฟรม ชม × W1 × W2 × W3 × T | ความสูง H | lENGEH L | สนามล้อ P | การโหลดล้อเดี่ยว (กก.) | วัสดุลูกกลิ้ง |
| W-36PS | 36 × 9 × 8 × 28 | M8 × 40L | 42.3 × 60 × 32.6 × 45 × 2.3 | 47.3 | 1800 · 2400 · 3000 | 50 · 75 · 100 · 150 | 10 | POM |

พิมพ์ ขนาดลูกกลิ้ง d*w*d*b เพลา ขนาดเฟรม ...
| พิมพ์ | ขนาดลูกกลิ้ง d*w*d*b | เพลา | ขนาดเฟรม ชม × W1 × W2 × W3 × T | ความสูง H | lENGEH L | สนามล้อ P | การโหลดล้อเดี่ยว (กก.) | วัสดุลูกกลิ้ง |
| W-36PW | 36 × 9 × 8 × 14 | M8 × 55L | 46.3 × 60 × 33 × 71 × 1.6 2.3 | 52.3 | 1800 · 2400 · 3000 | 50 · 75 · 100 · 150 | 10 | ปอม |
| W-45UW | 45 × 16 × 8 × 22 | M8 × 65L | 46.3 × 60 × 33 × 87 × 1.6 2.3 | 56.8 | 1800 · 2400 · 3000 | 50 · 75 · 100 · 150 | 25 | abs |

พิมพ์ ขนาดลูกกลิ้ง d*w*d*b เพลา ขนาดเฟรม ...
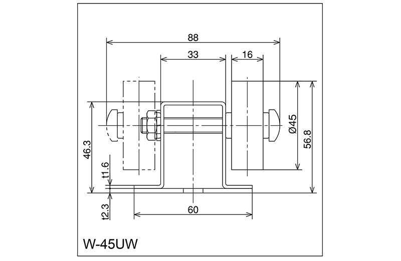
| พิมพ์ | ขนาดลูกกลิ้ง d*w*d*b | เพลา | ขนาดเฟรม ชม × W1 × W2 × W3 × T | ความสูง H | lENGEH L | สนามล้อ P | การโหลดล้อเดี่ยว (กก.) | วัสดุลูกกลิ้ง |
| W-45UW | 45 × 16 × 8 × 22 | M8 × 65L | 46.3 × 60 × 33 × 87 × 1.6 2.3 | 56.8 | 1800 · 2400 · 3000 | 50 · 75 · 100 · 150 | 25 | abs |
เหตุใดการบำรุงรักษาลูกกลิ้งลำเลียงจึงส่งผลโดยตรงต่ออายุการใช้งานของระบบ ลูกกลิ้งลำเลียง ...
อ่านเพิ่มเติมอะไรทำให้ลูกกลิ้งลำเลียงมีงานหนักอย่างแท้จริง สายพานลำเลียงลูกกลิ้งสำหรับงานหนักไม่ได้ถูกกำหนดโด...
อ่านเพิ่มเติมสายพานลำเลียงแบบลูกกลิ้งคืออะไร และเหตุใดประเภทจึงมีความสำคัญ ลูกกลิ้งลำเลียง เป็นระบบข...
อ่านเพิ่มเติมเหตุใดลูกกลิ้งลำเลียงจึงยังคงเป็นแกนหลักของการจัดการวัสดุ ลูกกลิ้งลำเลียง ปรับปรุงประสิ...
อ่านเพิ่มเติมระบบสายพานลำเลียง ขนย้ายวัสดุหลายล้านตันทุกวันไปยังโรงงาน โกดัง ไซต์เหมืองแร่ และศูนย์กระจายส...
อ่านเพิ่มเติมนำงานฝีมือมาสู่อนาคต
No.60, Zhenhu North Road, เมือง Hudai, Binhu District, Wuxi 214100, จีน







