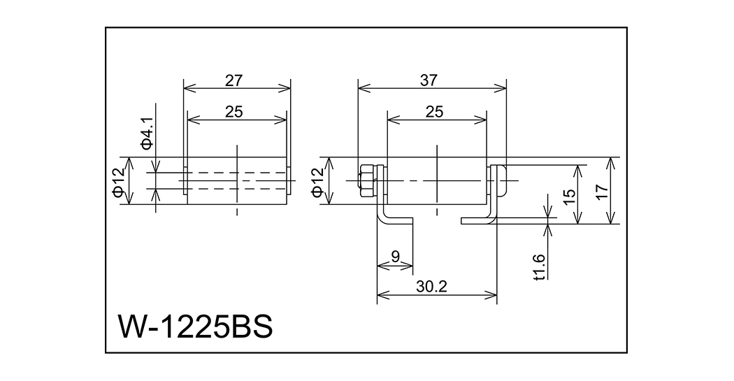
W-1225BS
Cat:สายพานลำเลียงล้อ
พิมพ์ d*w*d*b เพลา ขนาดเฟรม ชม*W1*W2*W3*T ...
โครงสร้างขั้นสูงประสิทธิภาพที่มีคุณภาพสูงใช้งานง่ายความน่าเชื่อถือและความทนทานสูง
สายพานลำเลียงล้อที่มีความคล่องแคล่วของโลหะเป็นวัสดุโลหะที่มีความคล่องแคล่วในการประกอบวงล้อแบบคล่องแคล่วล้อนั้นทำจากการปั๊มและตัดสองวิธีการประมวลผลวัสดุคือเหล็กชุบสังกะสีสแตนเลสชุบโครเมี่ยมและตัวเลือกอื่น ๆ โดยทั่วไปวัสดุเฟรมจะแบ่งออกเป็น: เหล็กชุบสังกะสีสเปรย์เหล็กอลูมิเนียมสแตนเลส

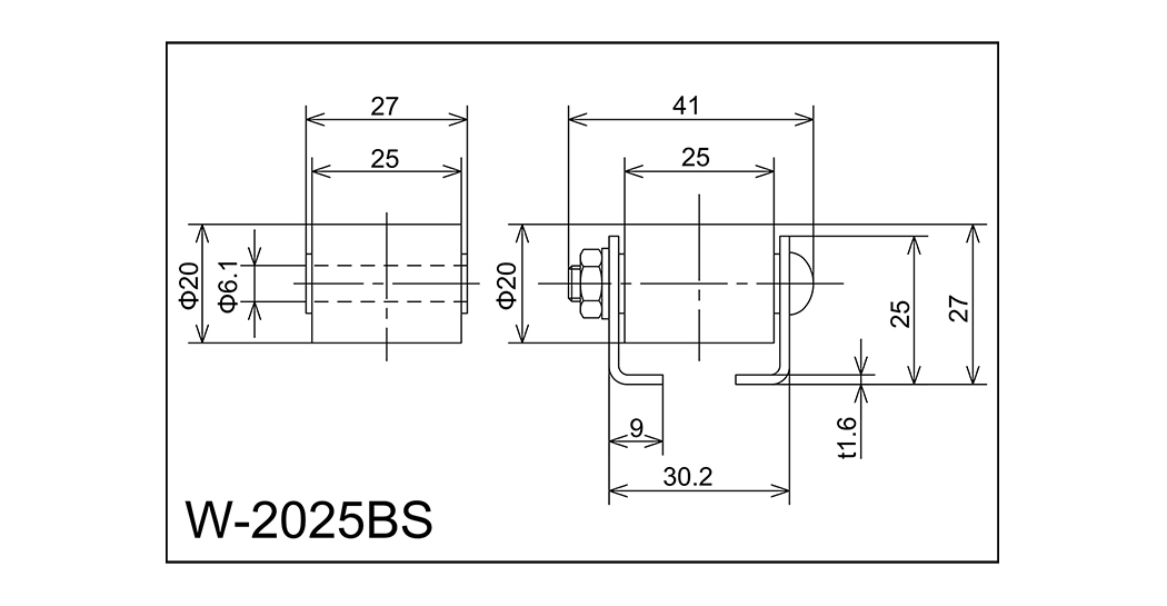
พิมพ์ d*w*d*b เพลา ขนาดเฟรม ชม*W1*W2*W3*T ...
| พิมพ์ | d*w*d*b | เพลา | ขนาดเฟรม ชม*W1*W2*W3*T | ความสูง H | ความยาว l | สนามล้อ P | การโหลดล้อเดี่ยว (กก.) | ประเภทเฟรม |
| W-1225BS | 12x25x4.1x27 | m4x35l | 15x30.2x9x37x1.6 | 17 | 1,000 · 1500 · 2000 | 14 | 35 | A |

พิมพ์ d*w*d*b เพลา ขนาดเฟรม ชม*W1*W2*W3*T ...
| พิมพ์ | d*w*d*b | เพลา | ขนาดเฟรม ชม*W1*W2*W3*T | ความสูง H | ความยาว l | สนามล้อ P | การโหลดล้อเดี่ยว (กก.) | ประเภทเฟรม |
| W-2015BS | 20x15x6.1x17 | m6x27l | 25x20.2x9x31x1.6 | 27 | 1,000 · 1500 · 2000 | 25 · 30 · 35 | 30 | A |

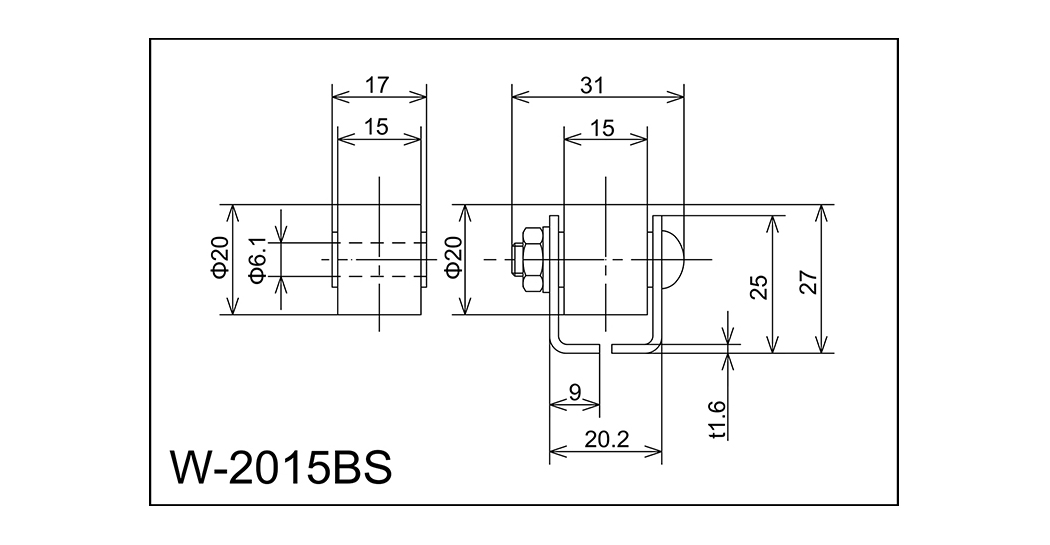
พิมพ์ d*w*d*b เพลา ขนาดเฟรม ชม*W1*W2*W3*T ...
| พิมพ์ | d*w*d*b | เพลา | ขนาดเฟรม ชม*W1*W2*W3*T | ความสูง H | ความยาว l | สนามล้อ P | การโหลดล้อเดี่ยว (กก.) | ประเภทเฟรม |
| W-20125BS | 20x25x6.1x27 | m6x37l | 25x30.2x9x41x1.6 | 27 | 1,000 · 1500 · 2000 | 25 · 30 · 35 | 40 | A |

พิมพ์ d*w*d*b เพลา ขนาดเฟรม ชม*W1*W2*W3*T ...
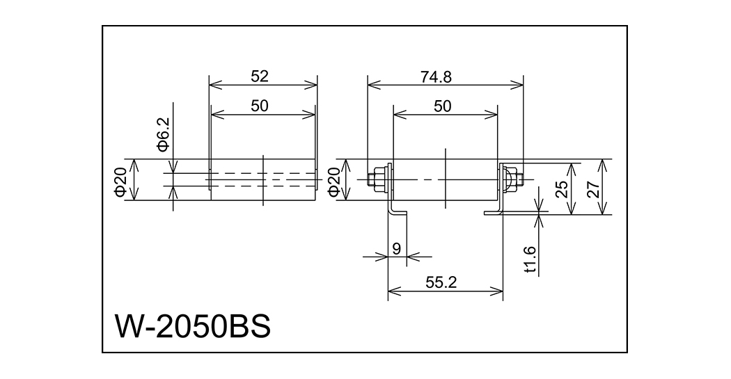
| พิมพ์ | d*w*d*b | เพลา | ขนาดเฟรม ชม*W1*W2*W3*T | ความสูง H | ความยาว l | สนามล้อ P | การโหลดล้อเดี่ยว (กก.) | ประเภทเฟรม |
| W-2050BS | 20x50x6.2x52 | M6X65L | 25x55.2x9x74.8x1.6 | 27 | 1,000 · 1500 · 2000 | 25 · 30 · 35 | 50 | A |

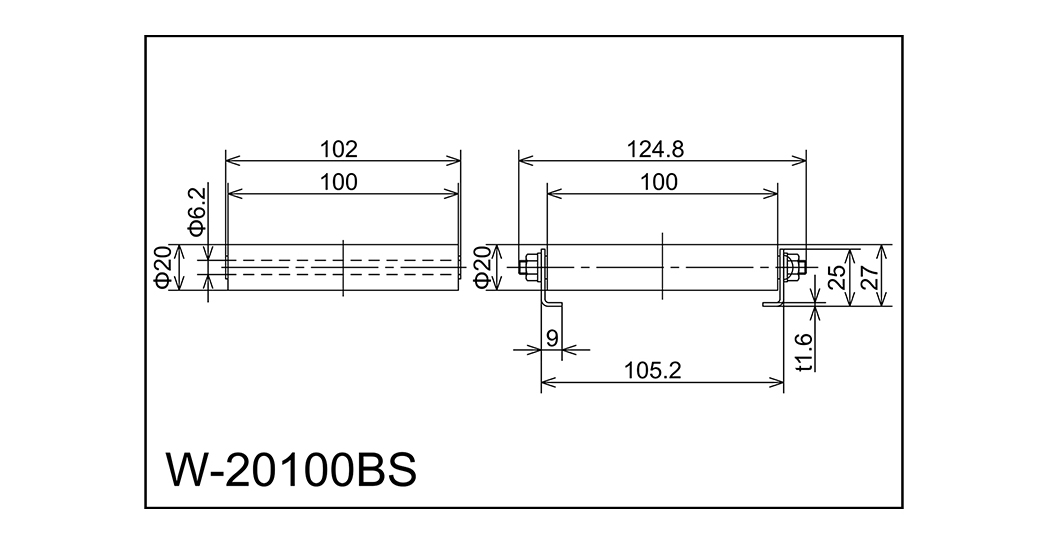
พิมพ์ d*w*d*b เพลา ขนาดเฟรม ชม*W1*W2*W3*T ...
| พิมพ์ | d*w*d*b | เพลา | ขนาดเฟรม ชม*W1*W2*W3*T | ความสูง H | ความยาว l | สนามล้อ P | การโหลดล้อเดี่ยว (กก.) | ประเภทเฟรม |
| W-20100BS | 20x100x6.2x102 | M6X115L | 25x105.2x9x124.8x1.6 | 27 | 1,000 · 1500 · 2000 | 25 · 30 · 35 | 50 | A |

พิมพ์ d*w*d*b เพลา ขนาดเฟรม ชม*W1*W2*W3*T ...
| พิมพ์ | d*w*d*b | เพลา | ขนาดเฟรม ชม*W1*W2*W3*T | ความสูง H | ความยาว l | สนามล้อ P | การโหลดล้อเดี่ยว (กก.) | ประเภทเฟรม |
| W-25BS | 25x9x6.2x16 | m6x27l | 25x19.2x9x31x1.6 | 29.5 | 1,000 · 1500 · 2000 | 30 · 35 | 30 | A |

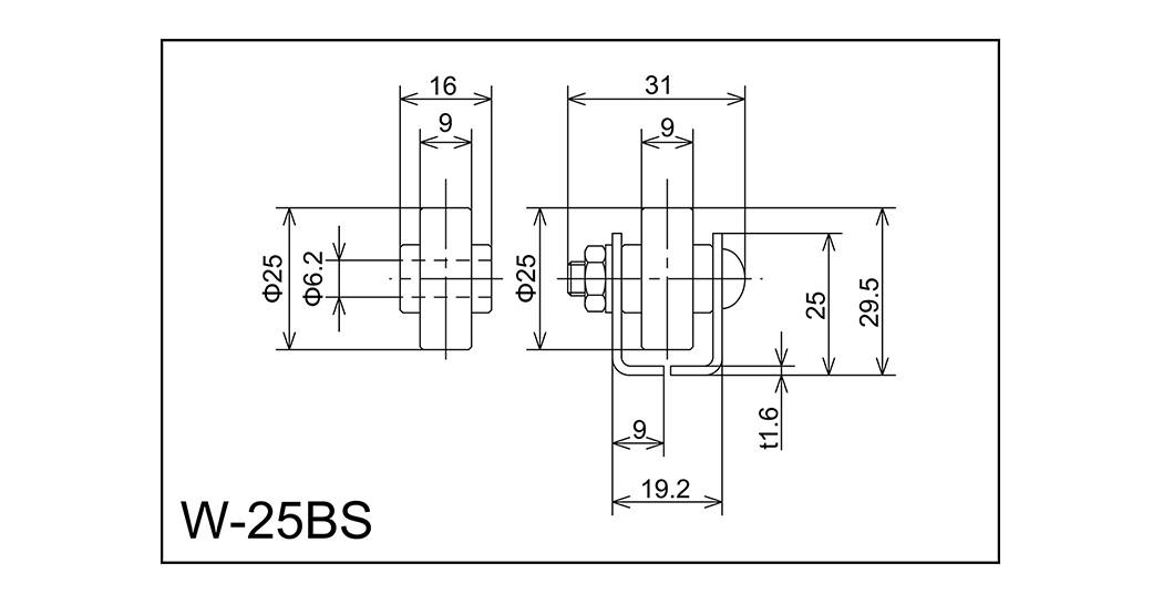
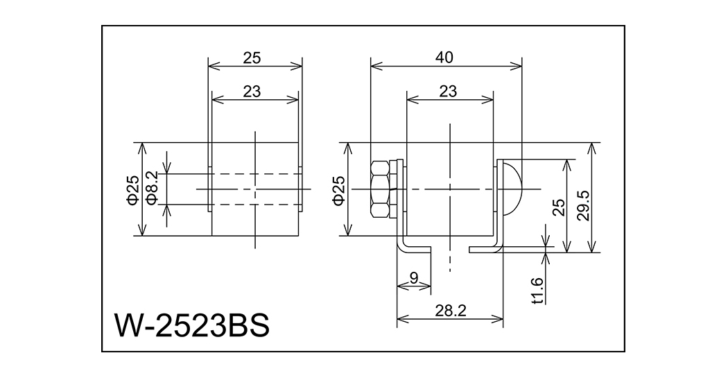
พิมพ์ d*w*d*b เพลา ขนาดเฟรม ชม*W1*W2*W3*T ...
| พิมพ์ | d*w*d*b | เพลา | ขนาดเฟรม ชม*W1*W2*W3*T | ความสูง H | ความยาว l | สนามล้อ P | การโหลดล้อเดี่ยว (กก.) | ประเภทเฟรม |
| W-2523BS | 25x23x8.2x25 | M8X35L | 25x28.2x9x40x1.6 | 29.5 | 1,000 · 1500 · 2000 | 30-35 | 50 | A |

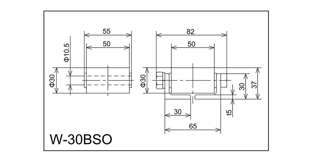
พิมพ์ d*w*d*b เพลา ขนาดเฟรม ชม*W1*W2*W3*T ...
| พิมพ์ | d*w*d*b | เพลา | ขนาดเฟรม ชม*W1*W2*W3*T | ความสูง H | ความยาว l | สนามล้อ P | การโหลดล้อเดี่ยว (กก.) | ประเภทเฟรม |
| w-30bso | 30x50x10.5x55 | m10x75l | 30x65x30x82x5 | 37 | 1,000 · 2000 · 3000 | 35 · 50 | 160 | N |

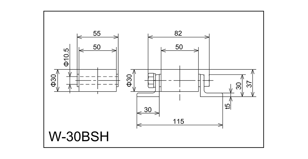
พิมพ์ d*w*d*b เพลา ขนาดเฟรม ชม*W1*W2*W3*T ...
| พิมพ์ | d*w*d*b | เพลา | ขนาดเฟรม ชม*W1*W2*W3*T | ความสูง H | ความยาว l | สนามล้อ P | การโหลดล้อเดี่ยว (กก.) | ประเภทเฟรม |
| w-30bsh | 30x50x10.5x55 | m10x75l | 30x115x30x82x5 | 37 | 1,000 · 2000 · 3000 | 35 · 50 | 160 | L |

พิมพ์ d*w*d*b เพลา ขนาดเฟรม ชม*W1*W2*W3*T ...
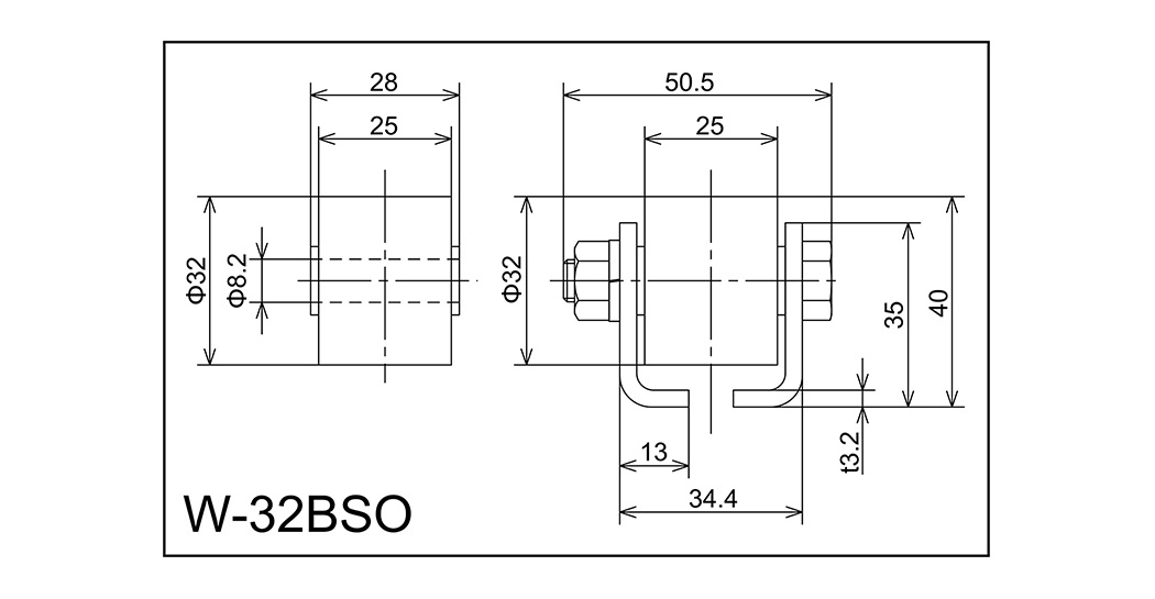
| พิมพ์ | d*w*d*b | เพลา | ขนาดเฟรม ชม*W1*W2*W3*T | ความสูง H | ความยาว l | สนามล้อ P | การโหลดล้อเดี่ยว (กก.) | ประเภทเฟรม |
| W-32BSO | 32x25x8.2x28 | M8X45L | 35x34.4x13x50.5x3.2 | 40 | 1,000 · 2000 · 3000 | 40 · 70 · 100 | 90 | A |

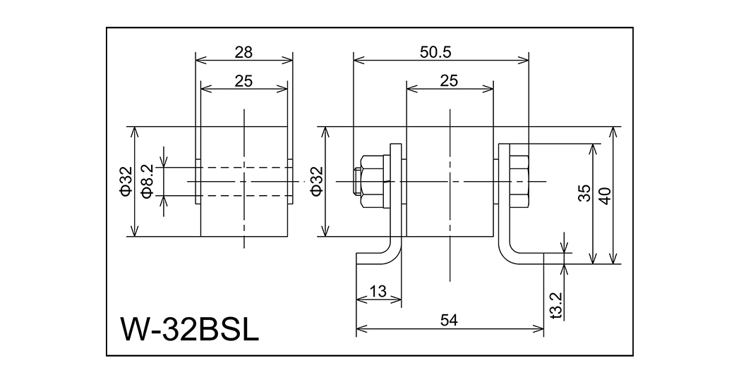
พิมพ์ d*w*d*b เพลา ขนาดเฟรม ชม*W1*W2*W3*T ...
| พิมพ์ | d*w*d*b | เพลา | ขนาดเฟรม ชม*W1*W2*W3*T | ความสูง H | ความยาว l | สนามล้อ P | การโหลดล้อเดี่ยว (กก.) | ประเภทเฟรม |
| W-32BSL | 32x25x8.2x28 | M8X45L | 35x54x13x50.5x3.2 | 40 | 1,000 · 2000 · 3000 | 40 · 70 · 100 | 90 | C |

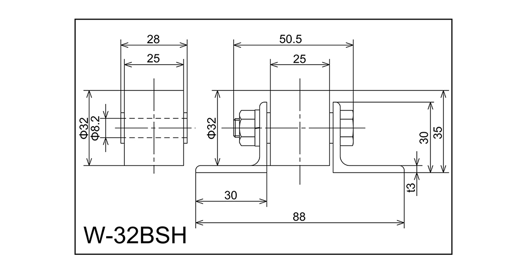
พิมพ์ d*w*d*b เพลา ขนาดเฟรม ชม*W1*W2*W3*T ...
| พิมพ์ | d*w*d*b | เพลา | ขนาดเฟรม ชม*W1*W2*W3*T | ความสูง H | ความยาว l | สนามล้อ P | การโหลดล้อเดี่ยว (กก.) | ประเภทเฟรม |
| W-32BSH | 32x25x8.2x28 | M8X45L | 30x88x30x50.5x3.0 | 35 | 1,000 · 2000 · 3000 | 40 · 70 · 100 | 90 | L |
เหตุใดการบำรุงรักษาลูกกลิ้งลำเลียงจึงส่งผลโดยตรงต่ออายุการใช้งานของระบบ ลูกกลิ้งลำเลียง ...
อ่านเพิ่มเติมอะไรทำให้ลูกกลิ้งลำเลียงมีงานหนักอย่างแท้จริง สายพานลำเลียงลูกกลิ้งสำหรับงานหนักไม่ได้ถูกกำหนดโด...
อ่านเพิ่มเติมสายพานลำเลียงแบบลูกกลิ้งคืออะไร และเหตุใดประเภทจึงมีความสำคัญ ลูกกลิ้งลำเลียง เป็นระบบข...
อ่านเพิ่มเติมเหตุใดลูกกลิ้งลำเลียงจึงยังคงเป็นแกนหลักของการจัดการวัสดุ ลูกกลิ้งลำเลียง ปรับปรุงประสิ...
อ่านเพิ่มเติมระบบสายพานลำเลียง ขนย้ายวัสดุหลายล้านตันทุกวันไปยังโรงงาน โกดัง ไซต์เหมืองแร่ และศูนย์กระจายส...
อ่านเพิ่มเติมนำงานฝีมือมาสู่อนาคต
No.60, Zhenhu North Road, เมือง Hudai, Binhu District, Wuxi 214100, จีน







