ซีรี่ส์ KSF-B ที่ทำงานหนักในฤดูใบไม้ผลิ
Cat:ลูกสากล
แบบอย่าง เลขที่ ความจุในการโหลด ...
โครงสร้างขั้นสูงประสิทธิภาพที่มีคุณภาพสูงใช้งานง่ายความน่าเชื่อถือและความทนทานสูง

แบบอย่าง เลขที่ ความจุในการโหลด ...
| แบบอย่าง เลขที่ | ความจุในการโหลด (กก.) | ขนาด (มม.) | น้ำหนัก (กก.) | |||||||||
| วัสดุ | C ompresse d | SUG./MAX | ||||||||||
| d | d | f | ชม1 | H2 | H | P | K | |||||
| KSF-19b | BS/CS | 60kGF | 70/80 | 19.05 | 38 | 53 | 6 | 4.5 | 28 | 46 | 3-5 | 0.260 |
| KSF-25B | BS/CS | 100kGF | 120/150 | 25.4 | 50 | 70 | 9 | 5 | 37 | 61.5 | 3-5.5 | 0.400 |
| KSF-30B | BS/CS | 150kGF | 200/250 | 30.163 | 60 | 83 | 10 | 6 | 44 | 73 | 3-6 | 1.100 |

การโหลด ความจุ (กก.) ...
| การโหลด ความจุ (กก.) | (มม.) ขนาด | น้ำหนัก (กก.) | |||||||
| วัสดุ | บีบอัด | SUG./ม.AX . | |||||||
| d | d | ชม1 | H2 | H | M | ||||
| BS/CS | 30kgf | 30/40 | 19.05 | 42 | 3 | 33 | 68 | 12 | 0.350 |
| BS/CS | 50kGF | 50/60 | 22.225 | 48 | 3 | 40 | 80 | 14 | 0.600 |
| BS/CS | 60kGF | 70/80 | 25.4 | 54 | 4 | 46 | 96 | 16 | 0.800 |
| BS/CS | 100 กิโลกรัม f | 110/120 | 38.1 | 80 | 8 | 70 | 140 | 22 | 2.600 |
| BS/CS | 200kg f | 400/450 | 51 | 100 | 12 | 95 | 1 75 | 24 | 5.100 |

แบบอย่าง เลขที่ . ...
| แบบอย่าง เลขที่ . | MaTeria l | (กก.) การโหลด ความจุ | (กก.) สุทธิ น้ำหนัก | |
| บีบอัด | SUG./MAX . | |||
| KST-12 | BS/CS | 30 กิโลกรัมf | 30/50 | 0.180 |
| SS/SS | 20kGF | 20/40 | ||
| แบบอย่าง เลขที่ . | MaTeria l | (กก.) การโหลด ความจุ | (กก.) สุทธิ น้ำหนัก | |
| บีบอัด | SUG./MAX . | |||
| KSE-12 | BS/CS | 30kg f | 30/50 | 0.160 |
| SS/SS | 20kGF | 20/40 | ||
| แบบอย่าง เลขที่ . | MaTeria l | (กก.) l การทำ เครื่องเก็บประจุ y | (กก.) สุทธิ น้ำหนัก | |
| บีบอัด | SUG./MAX | |||
| KS-15 | BS/CS | 25kGF | 30/40 | 0.030 |
| SS/SS | 15kGF | 25/30 | ||
| แบบอย่าง เลขที่ . | Materia l | (กก.) การโหลด ความจุ | (กก.) สุทธิ ชั่งน้ำหนัก t | |
| เป็นส่วนประกอบ S | SUG./MAX . | |||
| KSFN-19 | BS/CS | 40 กิโลกรัม f | 50/60 | 0.430 |
| SS/S S | 30kgf | 40/50 | ||
| แบบอย่าง เลขที่ . | Materia l | (กก.) การโหลด เครื่องเก็บประจุ y | (กก.) สุทธิ ชั่งน้ำหนัก t | |
| C OmpreS S | SUG./MAX . | |||
| KSFT-19 | BS/CS | 40kGF | 50/60 | 0.450 |
| SS/SS | 30kgf | 40/50 | ||
| แบบอย่าง เลขที่ . | Materia l | (กก.) การโหลด ความจุ | (กก.) สุทธิ ชั่งน้ำหนัก t | |
| เป็นส่วนประกอบ s | SUG./MAX . | |||
| KSFH-19 | BS/CS | 50 กิโลกรัม f | 60/70 | 0.350 |
| SS/SS | 40kGF | 50/60 | ||

แบบอย่าง เลขที่ . ...
| แบบอย่าง เลขที่ . | MaTeria l | (กก.- l การทำ เครื่องเก็บประจุ y | (กก.- สุทธิ ชั่งน้ำหนัก T | |
| บีบอัด | SUG./MAX | |||
| KS-19 | BS/CS | 40kGF | 50/60 | 0.600 |
| SS/SS | 30kgf | 40/50 | ||
| แบบอย่าง เลขที่ . | MaTeria l | (กิโลกรัม ) l การทำ ความจุ | (กก.) สุทธิ น้ำหนัก | |
| C ompress | SUG./MAX | |||
| KS-19H | BS/CS | 40kGF | 50/60 | 0.500 |
| SS/SS | 30kgf | 40/50 | ||
| แบบอย่าง เลขที่ . | Materia l | (กก.) ความจุในการโหลด | (กก.) สุทธิ ชั่งน้ำหนัก t | |
| บีบอัด | SUG./MAX | |||
| KS-20 | BS/CS | 40kGF | 50/60 | 0.450 |
| SS/SS | 30kgf | 40/50 | ||
| แบบอย่าง เลขที่ . | Materia l | (กิโลกรัม ) การโหลด ความจุ | สุทธิ ชั่งน้ำหนัก t | |
| บีบอัด | SUG./MAX . | |||
| KS-30 | BS/CS | 80kGF | 90/100 | 1.100 |
| SS/SS | 60kGF | 70/80 | ||

แบบอย่าง เลขที่ ตัว...
| แบบอย่าง เลขที่ | ตัวเลข | การโหลด ความจุ -กก.- | ( มม. ) ขนาด | (กก.) น้ำหนัก | |||||||
| วัสดุ | แนะนำ | สูงสุด . | |||||||||
| d | l | ชม | H1 | H2 | ม. | ||||||
| NJ-12 | 3101 | BS/CS | 10 | 15 | 12 | 18 | 16 | 3 | 12 | M12 | 0.025 |
| NJ-16 | 3102 | BS/CS | 20 | 30 | 15.875 | 24 | 22 | 4 | 18 | M8 | 0.150 |
| NJ-25 | 3103 | BS/CS | 120 | 150 | 25.4 | 36 | 33 | 6 | 27 | M12 | 0.210 |
| NJ-30 | 3104 | BS/CS | 150 | 200 | 30.16 | 45 | 40 | 7 | 30 | M14 | 0.230 |
| NJ-38 | 3105 | BS/CS | 250 | 300 | 38.1 | 55 | 50 | 9 | 40 | M16 | 0.460 |
| NJ-45 | 3106 | BS/CS | 350 | 400 | 45 | 75 | 50 | 9 | 40 | M16 | 1.800 |

แบบอย่าง เลขที่ ตัว...
| แบบอย่าง เลขที่ | ตัวเลข | การโหลด ความจุ (กก.) | (มม.) ขนาด | (กก.) ชั่งน้ำหนัก T | |||||
| วัสดุ | แนะนำ | สูงสุด . | |||||||
| d | ชม | H1 | ม. | ||||||
| LW-6 | 4101 | BS/CS | 3 | 5 | 12 | 20 | 1.5 | M12 | 0.010 |
| LW-8 | 4102 | BS/CS | 5 | 8 | 15.875 | 30 | 2 | M16 | 0.020 |
| LW-12 | 4103 | BS/CS | 12 | 15 | 25.4 | 45 | 3.5 | M24 | 0.029 |
| LW-16 | 4104 | BS/CS | 20 | 25 | 30.16 | 60 | 4 | m30 | 0.038 |
| LW-19 | 4105 | BS/CS | 25 | 30 | 38.1 | 70 | 5 | M40 | 0.160 |
| LW-22 | 4106 | BS/CS | 40 | 45 | 45 | 82 | 5.5 | M44 | 0.280 |

แบบอย่าง เลขที่ (กก...
| แบบอย่าง เลขที่ | (กก.) กำลังโหลด ความจุ | (มม.) ขนาด | (กก.) น้ำหนัก | ||||||||
| วัสดุ | แนะนำ | สูงสุด | |||||||||
| d | d | f | ชม. | S | ชม | T | |||||
| QX-22 | BS/CS | 80 | 100 | 22.2 | 36 | 45 | 4 | 21.2 | 31 | 25 | 0.185 |
| QX-25 | BS/CS | 150 | 200 | 25.4 | 38 | 45 | 5 | 17 | 33.8 | 29.4 | 0.190 |
| QX-30 | BS/CS | 250 | 300 | 30.1 | 45 | 55 | 6.4 | 22.7 | 36.5 | 35 | 0.380 |
| QX-45 | BS/CS | 350 | 400 | 45 | 62 | 75 | 9 | 35 | 54 | 50 | 1.100 |
| QX-55 | BS/CS | 450 | 500 | 55 | 80 | 99 | 15 | 31.5 | 71.5 | 69.2 | 2.500 |

แบบอย่าง เลขที่ ตัว...
| แบบอย่าง เลขที่ | ตัวเลข | การโหลด ความจุ (กก.) | (มม.) ขนาด | (กก.) น้ำหนัก | |||||||
| วัสดุ | แนะนำ | สูงสุด | |||||||||
| d | d | ชม1 | H2 | H | f | ||||||
| FC-006 | 5101 | BS/CS | 300 | 350 | 38.1 | 70 | 10 | 46 | 90 | 95 | 3.200 |
| FC-026 | 5102 | BS/CS | 100 | 120 | 22.23 | 36 | 4 | 13.5 | 31 | 48 | 0.890 |
| FC-027 | 5103 | BS/CS | 200 | 230 | 30.16 | 45 | 4.4 | 17.5 | 36.5 | 58 | 1.500 |
| FC-028 | 5104 | BS/CS | 400 | 480 | 45 | 62 | 9 | 24.5 | 54 | 78 | 2.500 |
| FC-029 | 5105 | BS/CS | 500 | 600 | 60 | 100 | 12 | 34 | 78 | 125 | 3.500 |

แบบอย่าง เลขที่ ตัวเล...
| แบบอย่าง เลขที่ | ตัวเลข | การโหลด ความจุ (กก.) | (มม.) ขนาด | (กก.) น้ำหนัก | |||||||
| วัสดุ | แนะนำ | สูงสุด | |||||||||
| d | d | ชม | H1 | H2 | ม. | ||||||
| D-2H (6) | 6101 | BS/CS | 5 | 6 | 6.35 | 12 | 9 | 1.5 | 12 | M6 | 0.035 |
| D-3H (9) | 6102 | BS/CS | 7 | 8 | 9.525 | 15 | 15 | 2.5 | 12 | M6 | 0.042 |
| D-4H (12) | 6103 | BS/CS | 8 | 10 | 12.0 | 20 | 18 | 3 | 12 | M8 | 0.055 |
| D-5H (15) | 6104 | BS/CS | 15 | 20 | 15.875 | 24 | 20.5 | 4 | 12 | M6/M8 | 0.060 |
| D-6H (19) | 6105 | BS/CS | 40 | 50 | 19.05 | 32 | 26 | 4 | 20 | M8 | 0.130 |
| D-8H (25) | 6106 | BS/CS | 100 | 150 | 25.4 | 42 | 42 | 7 | 21 | M10 | 0.210 |

แบบอย่าง เลขที่ (กก...
| แบบอย่าง เลขที่ | (กก.) กำลังโหลด ความจุ | (มม.) ขนาด | (กก.) น้ำหนัก | |||||||||
| วัสดุ | แนะนำ | สูงสุด | ||||||||||
| d | d | ชม1 | H2 | H | f | P | K | |||||
| D-8HB | BS/CS | 100 | 150 | 25.4 | 56 | 8 | 3 | 32 | 78 | 67 | 4 -φ6.5 | 0.450 |
| D-10H | BS/CS | 200 | 250 | 30.1 | 65 | 6.5 | 6 | 48 | 95 | 80 | 4-φ7 | 0.890 |
| D-12H | BS/CS | 300 | 350 | 38.1 | 70 | 11 | 6 | 60 | 110 | 94 | 4-φ7 | 1.200 |
| D-16H | BS/CS | 300 | 400 | 50 | 95 | 16 | 10 | 80 | 140 | 120 | 4-φ11 | 4.500 |
| D-24H | BS/CS | 600 | 800 | 76.2 | 130 | 20 | 10 | 120 | 180 | 155 | 4- 中 11 | 5.400 |

แบบอย่าง เลขที่ MaTer...
| แบบอย่าง เลขที่ | MaTeria l | (กิโลกรัม - l การทำ เครื่องเก็บประจุ y | (กก.- สุทธิ น้ำหนัก | |
| แนะนำ | สูงสุด . | |||
| D-5HC | BS/CS | 16 | 20 | 0.055 |
| แบบอย่าง เลขที่ | MaTeria l | (กิโลกรัม - l การทำ ความจุ | (กก.- สุทธิ น้ำหนัก | |
| แนะนำ | สูงสุด . | |||
| D-5HT | BS/CS | 16 | 20 | 0.120 |
| แบบอย่าง เลขที่ | MaTeria l | (กก.- การโหลด ความจุ | (กก.) สุทธิ ชั่งน้ำหนัก T | |
| แนะนำ | สูงสุด . | |||
| D-5HR | BS/CS | 16 | 20 | 0.065 |
| แบบอย่าง เลขที่ . | MaTeria l | (กก.) การโหลด ความจุ | (กก.) สุทธิ น้ำหนัก | |
| ข้อสรุป T | สูงสุด . | |||
| D-5HB | BS/CS | 80 | 100 | 0.370 |
| แบบอย่าง เลขที่ . | MaTeria l | (กก.) l การทำ ความจุ | (กก.) สุทธิ น้ำหนัก | |
| แนะนำ | สูงสุด . | |||
| D-6HT | BS/CS | 40 | 50 | 0.150 |
| แบบอย่าง เลขที่ . | Materia l | (กก.) การโหลด ความจุ | (กก.) สุทธิ ชั่งน้ำหนัก t | |
| ข้อสรุป t | สูงสุด . | |||
| D-6HR | BS/CS | 60 | 70 | 0.210 |
| แบบอย่าง เลขที่ | Materia l | (กิโลกรัม ) การโหลด เครื่องเก็บประจุ y | (กก.) | |
| 建议 แนะนำ | สูงสุด . | |||
| D-6HC | BS/CS | 60 | 70 | 0.210 |
| แบบอย่าง เลขที่ | วัสดุ | (กก.) l การทำ ความจุ | (กิโลกรัม ) | |
| แนะนำ | สูงสุด | |||
| D-6HN | BS/CS | 50 | 70 | 0.210 |
| แบบอย่าง เลขที่ . | วัสดุ | (กก.) ความจุในการโหลด | (กก.) | |
| แนะนำ | สูงสุด . | |||
| D-8HN | BS/CS | 100 | 150 | 0.230 |
| แบบอย่าง เลขที่ | วัสดุ | (กก.) ความจุในการโหลด | (กิโลกรัม ) สุทธิ ชั่งน้ำหนัก t | |
| แนะนำ | สูงสุด . | |||
| D-12ha | BS/CS | 250 | 300 | 0.890 |
| แบบอย่าง เลขที่ | วัสดุ | (กก.) l การทำ ความจุ | (กก.) สุทธิ ชั่งน้ำหนัก t | |
| แนะนำ | สูงสุด . | |||
| D-12har | BS/CS | 250 | 300 | 0.890 |
| แบบอย่าง เลขที่ | วัสดุ | (กก.) l การทำ ความจุ | (กก.) สุทธิ น้ำหนัก | |
| แนะนำ | สูงสุด . | |||
| D-16ha | BS/CS | 350 | 450 | 2.200 |

ตั้งทิศทางที่ถูกต้องและสามารถปรับทิศทางจังหวะยาวได้ เหมาะสำหรับการใช้งานโดยไม่มีการหมุนฟรี 360 องศาห...
ตั้งทิศทางที่ถูกต้องและสามารถปรับทิศทางจังหวะยาวได้
เหมาะสำหรับการใช้งานโดยไม่มีการหมุนฟรี 360 องศาหรือเมื่อทิศทางของการควบคุมไม่แน่นอนนอกเหนือจากค่าสัมประสิทธิ์แรงเสียดทานมีขนาดเล็ก แต่สามารถบรรลุลักษณะการเคลื่อนไหวระยะยาว
ส่วนใหญ่จะใช้สำหรับพื้นผิวหล่อลื่นและอุปกรณ์ให้อาหารของตารางโรตารี่และการเคลื่อนที่ของวัตถุหนัก มันสามารถใช้สำหรับจังหวะของการเคลื่อนไหวลูกสูบและโต๊ะถ่ายทอด
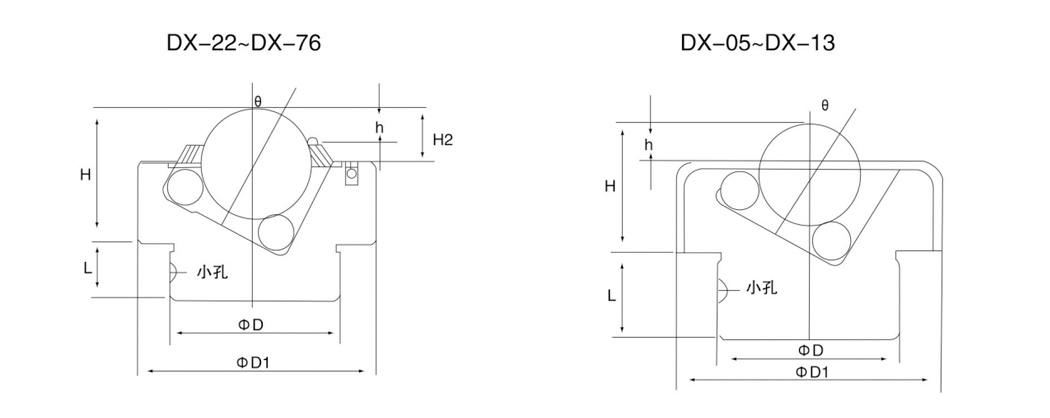
| โหมด l | ความร่ำรวย R | หลัก ลูกบอล | θ | ชม | H2 | ชม. | l | d | D1 | นอกศูนย์ | (กก.) น้ำหนัก | (กก.) การโหลด ความจุ |
| DX-05 | 7101 | 3/16 - | 25 | 5.38 | 1.5 | 1.0 | 5.0 | 8 | 12.2 | 2.5 | 0.005 | 30 |
| DX-06 | 7102 | 1/4 " | 25 | 7.17 | 2.5 | 1.8 | 6.0 | 12 | 16.2 | 2.6 | 0.010 | 40 |
| DX-07 | 7103 | 5/16 " | 25 | 8.97 | 2.0 | 2.0 | 8.0 | 13 | 19.2 | 2.6 | 0.020 | 50 |
| DX-08 | 7104 | 3/8 " | 25 | 12 | 3.0 | 3.0 | 9.0 | 17 | 26.2 | 3.4 | 0.050 | 70 |
| DX-09 | 7105 | 1/2 " | 25 | 15 | 4.0 | 4.0 | 11.0 | 20 | 38.0 | 5.0 | 0.110 | 90 |
เหตุใดการบำรุงรักษาลูกกลิ้งลำเลียงจึงส่งผลโดยตรงต่ออายุการใช้งานของระบบ ลูกกลิ้งลำเลียง ...
อ่านเพิ่มเติมอะไรทำให้ลูกกลิ้งลำเลียงมีงานหนักอย่างแท้จริง สายพานลำเลียงลูกกลิ้งสำหรับงานหนักไม่ได้ถูกกำหนดโด...
อ่านเพิ่มเติมสายพานลำเลียงแบบลูกกลิ้งคืออะไร และเหตุใดประเภทจึงมีความสำคัญ ลูกกลิ้งลำเลียง เป็นระบบข...
อ่านเพิ่มเติมเหตุใดลูกกลิ้งลำเลียงจึงยังคงเป็นแกนหลักของการจัดการวัสดุ ลูกกลิ้งลำเลียง ปรับปรุงประสิ...
อ่านเพิ่มเติมระบบสายพานลำเลียง ขนย้ายวัสดุหลายล้านตันทุกวันไปยังโรงงาน โกดัง ไซต์เหมืองแร่ และศูนย์กระจายส...
อ่านเพิ่มเติมWuxi Huiqian Logistics Machinery Manuthuring Manufacturing Co. , Ltd. สายพานลำเลียงพาเลท รองรับหลายช่องทางเพื่อจัดการพาเลทประเภทต่างๆในเวลาเดียวกัน?
ในโลกที่รวดเร็วของการขนส่งและการจัดการวัสดุประสิทธิภาพและการปรับตัวเป็นสิ่งสำคัญยิ่ง ธุรกิจต้องการระบบที่ไม่เพียง แต่ตอบสนองความต้องการในทันที แต่ยังให้ความสามารถในการปรับขนาดความน่าเชื่อถือและความยืดหยุ่นในการจัดการกับประเภทของสินค้าและความต้องการในการดำเนินงานที่แตกต่างกัน ทางออกหนึ่งคือ Wuxi Huiqian Logistics Machinery Manufacturing Co. , Nonficative Pallet Conveyor ของ Ltd. ซึ่งออกแบบมาเพื่อปรับปรุงการเคลื่อนไหวของวัสดุในอุตสาหกรรมที่หลากหลาย แต่คำถามยังคงอยู่: พาเลทของพวกเขาสามารถรองรับหลายช่องทางเพื่อจัดการพาเลทประเภทต่างๆพร้อมกันได้หรือไม่?
ความเก่งกาจในการออกแบบ: แกนกลางของโลจิสติกที่มีประสิทธิภาพ
ใจกลางผลิตภัณฑ์ผลิตภัณฑ์ของ Wuxi Huiqian คือขั้นสูงของพวกเขา สายพานลำเลียงพาเลท System ซึ่งเป็นโซลูชันที่ได้รับการออกแบบอย่างพิถีพิถันซึ่งเป็นเครื่องพิสูจน์ถึงความมุ่งมั่นของ บริษัท ในการผสมผสานเทคโนโลยีญี่ปุ่นเข้ากับเทคนิคการผลิตที่ทันสมัย ระบบเหล่านี้ถูกสร้างขึ้นเพื่อให้ความสามารถในการปรับตัวที่ไม่มีใครเทียบในสภาพแวดล้อมที่มีความต้องการสูง ไม่ว่าจะเป็นแอพพลิเคชั่นที่ใช้งานหนักหรือการตั้งค่าที่ละเอียดอ่อนกว่าและมีน้ำหนักเบามากขึ้นระบบสามารถปรับแต่งเพื่อจัดการพาเลทขนาดน้ำหนักและประเภทต่างๆ
ความแข็งแกร่งที่แท้จริงของ Wuxi Huiqian's สายพานลำเลียง ระบบอยู่ในความสามารถในการทำงานกับหลายช่องทางเพื่อให้มั่นใจว่าสามารถจัดการพาเลทประเภทต่าง ๆ ได้พร้อมกัน ฟังก์ชั่นหลายช่องทางนี้เป็นสิ่งจำเป็นสำหรับคลังสินค้าโรงงานผลิตและศูนย์กระจายสินค้าซึ่งการดำเนินงานมักจะต้องมีการขนส่งพาเลทที่หลากหลายพร้อมกัน ไม่ว่าจะเป็นการจัดการกับสินค้าขนาดใหญ่ขนาดใหญ่หรือสินค้าขนาดเล็กที่เปราะบางมากขึ้นระบบสายพานสามารถปรับให้เหมาะกับข้อกำหนดเฉพาะเหล่านี้ด้วยประสิทธิภาพที่ยอดเยี่ยม
การปรับแต่งตรงตามความแม่นยำ
Wuxi Huiqian ภูมิใจในการนำเสนอโซลูชั่นสายพานลำเลียงที่ปรับแต่งได้สูง การมุ่งเน้นไปที่การออกแบบแบบแยกส่วนทำให้มั่นใจได้ว่าระบบของพวกเขาสามารถกำหนดค่าให้เหมาะกับความต้องการในการปฏิบัติงานที่เฉพาะเจาะจงรวมถึงการจัดการพาเลทที่แตกต่างกันในเลนต่าง ๆ สิ่งนี้เป็นประโยชน์อย่างยิ่งในอุตสาหกรรมเช่นการผลิตยานยนต์อุปกรณ์อิเล็กทรอนิกส์และการกระจายอาหารซึ่งการเปลี่ยนแปลงในขนาดพาเลทและประเภทผลิตภัณฑ์สามารถสร้างความท้าทายด้านโลจิสติกส์ที่ซับซ้อน
นอกจากนี้ความมุ่งมั่นของ Wuxi Huiqian ต่อคุณภาพได้รับการเน้นย้ำโดยการใช้อุปกรณ์ประมวลผลที่ล้ำสมัยและระบบการจัดการคุณภาพที่เข้มงวด ทุกองค์ประกอบตั้งแต่ลูกกลิ้งไปจนถึงเฟรมจะถูกสร้างขึ้นตามมาตรฐานสูงสุดไม่เพียง แต่การทำงาน แต่ความทนทานในระยะยาว เมื่อรวมเข้ากับการดำเนินงานของคุณระบบสายพานลำเลียงจะให้การไหลเวียนของวัสดุอย่างราบรื่นกำจัดคอขวดและปรับปรุงประสิทธิภาพของปริมาณงาน
เทคโนโลยีขั้นสูงสำหรับโซลูชั่นที่พร้อมในอนาคต
ในฐานะผู้นำในภาคการผลิตเครื่องจักรโลจิสติกส์ Wuxi Huiqian สร้างสรรค์สิ่งใหม่ ๆ อย่างต่อเนื่องเพื่อให้มั่นใจว่าระบบสายพานลำเลียงของพวกเขาไม่เพียง แต่เชื่อถือได้ในปัจจุบัน แต่พร้อมที่จะปรับให้เข้ากับความต้องการของห่วงโซ่อุปทานในวันพรุ่งนี้ การใช้เทคโนโลยีขั้นสูงเช่นระบบอัตโนมัติและการติดตามแบบเรียลไทม์ช่วยเพิ่มประสิทธิภาพของการขนส่งพาเลททำให้ธุรกิจสามารถตรวจสอบและควบคุมการไหลของวัสดุได้อย่างแม่นยำ
สำหรับ บริษัท ที่มองหาการดำเนินงานในอนาคตโซลูชั่นของ Wuxi Huiqian นำเสนอข้อได้เปรียบที่มีค่า ระบบของพวกเขาสามารถรวมเข้ากับเทคโนโลยีอัตโนมัติอื่น ๆ ได้อย่างง่ายดายนำเสนอความสามารถในการปรับขนาดและการปรับตัวที่ทำให้มั่นใจได้ว่ามีประสิทธิภาพอย่างต่อเนื่องแม้ในขณะที่ความต้องการด้านลอจิสติกส์มีวิวัฒนาการ
การสนับสนุนหลังการขายและวิธีการที่ลูกค้าเป็นศูนย์กลาง
ความแตกต่างที่สำคัญสำหรับ Wuxi Huiqian คือการอุทิศตนเพื่อความพึงพอใจของลูกค้า นอกเหนือจากการส่งมอบผลิตภัณฑ์ที่มีคุณภาพสูงพวกเขายังให้ความสำคัญกับบริการหลังการขายให้การสนับสนุนทางเทคนิคและคำแนะนำอย่างมืออาชีพตลอดวงจรชีวิตของระบบของพวกเขา ความมุ่งมั่นนี้ทำให้มั่นใจได้ว่าลูกค้าทุกคนจะได้รับมูลค่าเต็มรูปแบบจากการลงทุนของพวกเขาด้วยโซลูชั่นที่ปรับแต่งและการสนับสนุนอย่างต่อเนื่องเพื่อจัดการกับข้อกำหนดด้านโลจิสติกส์ที่ซับซ้อนที่สุด
โซลูชันแบบองค์รวมสำหรับโลจิสติกส์ที่ทันสมัย
โดยสรุป บริษัท Wuxi Huiqian Logistics Machinery Manuthing Co. , Ltd. โดดเด่นในฐานะพันธมิตรที่เชื่อถือได้ในขอบเขตของการจัดการวัสดุโดยเฉพาะอย่างยิ่งสำหรับอุตสาหกรรมที่ต้องการระบบสายพานลำเลียงพาเลทขั้นสูงปรับแต่งและมีประสิทธิภาพ ระบบสายพานลำเลียงแบบหลายช่องทางของพวกเขาออกแบบมาเพื่อจัดการประเภทของพาเลทที่หลากหลายพร้อมกันเป็นตัวแทนของโซลูชันที่ซับซ้อนซึ่งตรงกับความต้องการของการดำเนินงานด้านโลจิสติกส์ที่ทันสมัย
หากคุณแสวงหาพันธมิตรที่สามารถยกระดับประสิทธิภาพด้านลอจิสติกส์ของคุณและส่งมอบโซลูชั่นที่ปรับขนาดได้และปรับขนาดได้ระบบสายพานลำเลียงพาเลทของ Wuxi Huiqian เป็นมากกว่าผลิตภัณฑ์-พวกเขาเป็นการลงทุนในความสำเร็จในการดำเนินงานระยะยาวของธุรกิจของคุณ
นำงานฝีมือมาสู่อนาคต
No.60, Zhenhu North Road, เมือง Hudai, Binhu District, Wuxi 214100, จีน