W-3822NPS
Cat:สายพานลำเลียงล้อเฟรมชุบสังกะสี
พิมพ์ d*w*d*b เพลา ขนาดเฟรม ชม*W1*W2*W3*T ...
โครงสร้างขั้นสูงประสิทธิภาพที่มีคุณภาพสูงใช้งานง่ายความน่าเชื่อถือและความทนทานสูง
สายพานลำเลียงล้อเฟรม/กล่องชุบสังกะสีเป็นแถบที่ใช้กันอย่างแพร่หลาย แถบที่คล่องแคล่วแบบนี้ใช้เป็นช่องโหว่การลำเลียงชั้นวาง ฯลฯ ซึ่งเหมาะมากสำหรับสถานที่โหลดแสง ตามสถานการณ์แอพพลิเคชั่นที่แตกต่างกันล้อสามารถทำจากวัสดุที่แตกต่างกันและยังสามารถปรับแต่งด้วยฟังก์ชั่นต่อต้านสแตติก

พิมพ์ d*w*d*b เพลา ขนาดเฟรม ชม*W1*W2*W3*T ...
| พิมพ์ | d*w*d*b | เพลา | ขนาดเฟรม ชม*W1*W2*W3*T | ความสูง H | ความยาว l | สนามล้อ P | การโหลดล้อเดี่ยว (กก.) | ประเภทเฟรม | แม่ลูกกลิ้ง |
| W-3822NPS | 38 × 22.5 × 3.4 | 3.4 × 38L | 33 × 40 × 0.8 (1.0) | 47 | 1,000 · 2000 · 3000 | 45 | 10 | ชุบสังกะสีไฟฟ้า | ABS PE |

พิมพ์ d*w*d*b เพลา ขนาดเฟรม ชม*W1*W2*W3*T ...
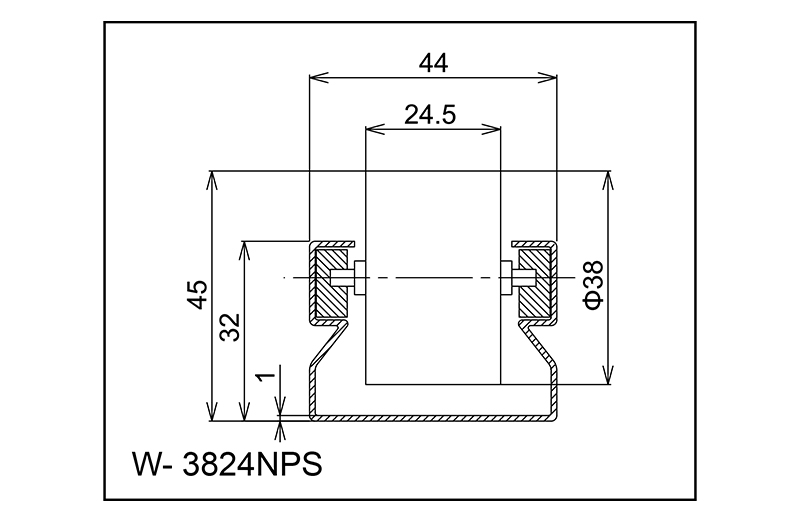
| พิมพ์ | d*w*d*b | เพลา | ขนาดเฟรม ชม*W1*W2*W3*T | ความสูง H | ความยาว l | สนามล้อ P | การโหลดล้อเดี่ยว (กก.) | ประเภทเฟรม | แม่ลูกกลิ้ง |
| W-3824NPS | 38 × 24.5 × 3 | 3 × 42L | 32 × 44 × 1.0 | 45 | 1,000 · 2000 · 3000 | 45 | 20 | ชุบสังกะสีไฟฟ้า | abs |

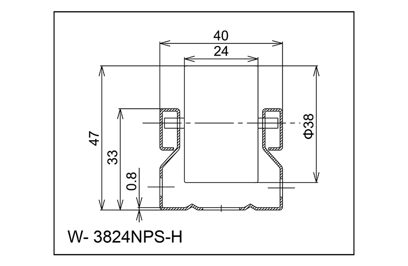
พิมพ์ d*w*d*b เพลา ขนาดเฟรม ชม*W1*W2*W3*T ...
| พิมพ์ | d*w*d*b | เพลา | ขนาดเฟรม ชม*W1*W2*W3*T | ความสูง H | ความยาว l | สนามล้อ P | การโหลดล้อเดี่ยว (กก.) | ประเภทเฟรม | แม่ลูกกลิ้ง |
| W-3824NPS-H | 38 × 24.5 × 3 | 3 × 38i | 32 × 44 × 0.8 (1.0) | 47 | 1,000 · 2000 · 3000 | 45 | 25 | ชุบสังกะสีไฟฟ้า | abs |

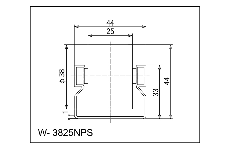
พิมพ์ d*w*d*b เพลา ขนาดเฟรม ชม*W1*W2*W3*T ...
| พิมพ์ | d*w*d*b | เพลา | ขนาดเฟรม ชม*W1*W2*W3*T | ความสูง H | ความยาว l | สนามล้อ P | การโหลดล้อเดี่ยว (กก.) | ประเภทเฟรม | แม่ลูกกลิ้ง |
| W-3825NPS | 38 × 25 × 3.8 | 3.8 × 40L | 33 × 44 × 1.0 | 44 | 1,000 · 2000 · 3000 | 45 | 20 | ชุบสังกะสีไฟฟ้า | ABS PE |

พิมพ์ d*w*d*b เพลา ขนาดเฟรม ชม*W1*W2*W3*T ...
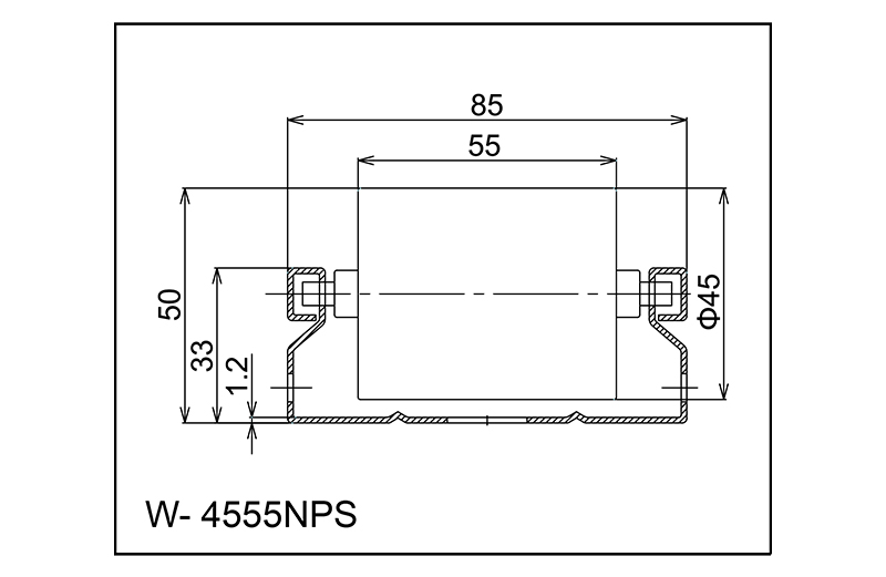
| พิมพ์ | d*w*d*b | เพลา | ขนาดเฟรม ชม*W1*W2*W3*T | ความสูง H | ความยาว l | สนามล้อ P | การโหลดล้อเดี่ยว (กก.) | ประเภทเฟรม | แม่ลูกกลิ้ง |
| W-4555NPS | 45 × 55 × 5 | 5 × 80L | 33 × 85 × 1.2 | 50 | 1,000 · 2000 · 3000 | 50 | 60 | ชุบสังกะสีไฟฟ้า | PE |

พิมพ์ d*w*d*b เพลา ขนาดเฟรม ชม*W1*W2*W3*T ...
| พิมพ์ | d*w*d*b | เพลา | ขนาดเฟรม ชม*W1*W2*W3*T | ความสูง H | ความยาว l | สนามล้อ P | การโหลดล้อเดี่ยว (กก.) | ประเภทเฟรม | แม่ลูกกลิ้ง |
| W-4816ABS | 48 × 16 × 6 | 6 × 35L | 38 × 47 × 2.5 | 55 | 1,000 · 2000 · 3000 | 45 · 50 · 75 · 100 | 10 | ชุบสังกะสีไฟฟ้า | แบริ่งแพ็คเกจ ABS |

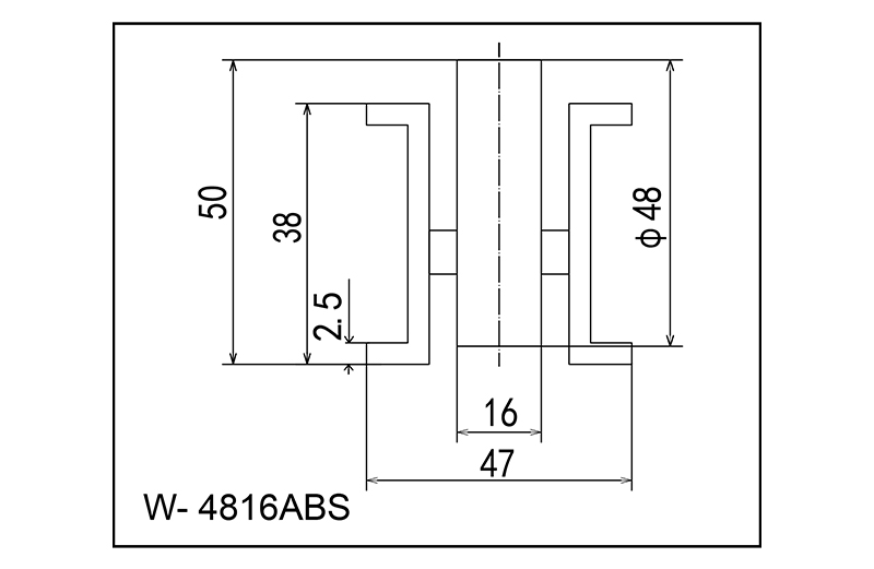
พิมพ์ d*w*d*b เพลา ขนาดเฟรม ชม*W1*W2*W3*T ...
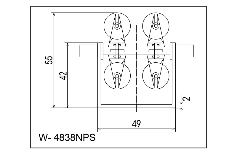
| พิมพ์ | d*w*d*b | เพลา | ขนาดเฟรม ชม*W1*W2*W3*T | ความสูง H | ความยาว l | สนามล้อ P | การโหลดล้อเดี่ยว (กก.) | ประเภทเฟรม | แม่ลูกกลิ้ง |
| W-4838NPS | 48 × 38 × 10 | 10 × 60L | 42 × 49 × 2 | 55 | 1,000 · 2000 · 3000 | 50 · 75 · 100 | 10 | การดัดแผ่นม้วนเย็น | Polyoxymethylene |

พิมพ์ d*w*d*b เพลา ขนาดเฟรม ชม*W1*W2*W3*T ...
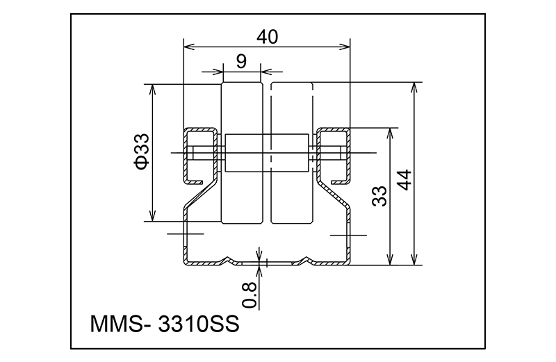
| พิมพ์ | d*w*d*b | เพลา | ขนาดเฟรม ชม*W1*W2*W3*T | ความสูง H | ความยาว l | สนามล้อ P | การโหลดล้อเดี่ยว (กก.) | ประเภทเฟรม | แม่ลูกกลิ้ง |
| MMS-3310SS | 33 × 9 × 5 × 21.5 (25.5) | 3.5 × 38L | 33 × 40 × 0.8 | 44 | 1,000 · 2000 · 3000 | 22.5 เซ | 6 | ชุบสังกะสีไฟฟ้า | PE |

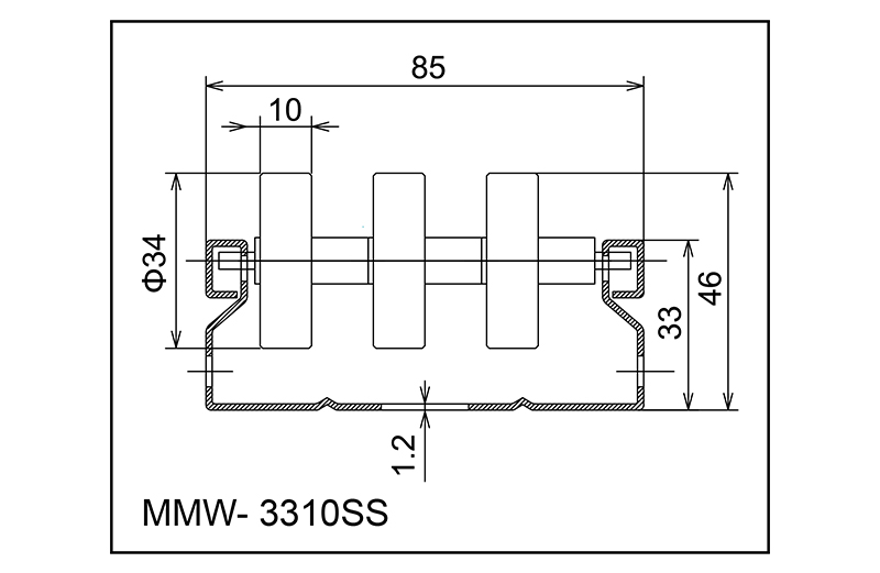
พิมพ์ d*w*d*b เพลา ขนาดเฟรม ชม*W1*W2*W3*T ...
| พิมพ์ | d*w*d*b | เพลา | ขนาดเฟรม ชม*W1*W2*W3*T | ความสูง H | ความยาว l | สนามล้อ P | การโหลดล้อเดี่ยว (กก.) | ประเภทเฟรม | แม่ลูกกลิ้ง |
| MMW-3310SS | 33 × 10 × 5 × 21.5 (68) | 5 × 82L | 33 × 85 × 1.2 | 46 | 1,000 · 2000 · 3000 | 25 ประเภทที่เซ | 10 | ชุบสังกะสีไฟฟ้า | PE |

พิมพ์ ขนาดลูกกลิ้ง d*w*d*b เพลา ขนาดเฟรม ...
| พิมพ์ | ขนาดลูกกลิ้ง d*w*d*b | เพลา | ขนาดเฟรม hxwxt | ความสูง ชม | lENGEH L | สนามล้อ P | การโหลดล้อเดี่ยว (กก.) | วัสดุลูกกลิ้ง |
| W-13G | 13 × 14 × 2.5 | 2.5 × 26L | 22/14 × 30/70 | 16 · 24 | 1,000 ~ 2000 | 15 · 30 · 45 | 4 | abs |

พิมพ์ ขนาดลูกกลิ้ง d*w*d*b เพลา ขนาดเฟรม ...
| พิมพ์ | ขนาดลูกกลิ้ง d*w*d*b | เพลา | ขนาดเฟรม hxwxt | ความสูง ชม | lENGEH L | สนามล้อ P | การโหลดล้อเดี่ยว (กก.) | วัสดุลูกกลิ้ง |
| W-2820G | 28 × 20 × 3 | 3 × 33L | 25 × 35 | 38 | 1,000 ~ 3000 | 30 · 45 · 60 | 10 | abs |

พิมพ์ ขนาดลูกกลิ้ง d*w*d*b เพลา ขนาดเฟรม ...
| พิมพ์ | ขนาดลูกกลิ้ง d*w*d*b | เพลา | ขนาดเฟรม hxwxt | ความสูง ชม | lENGEH L | สนามล้อ P | การโหลดล้อเดี่ยว (กก.) | วัสดุลูกกลิ้ง |
| W-28G | 28 × 25 × 3 | 3 × 37L | 35 × 42 | 38.5 · 42.5 | 1,000 ~ 3000 | 30 · 45 · 60 | 10 | abs |
เหตุใดการบำรุงรักษาลูกกลิ้งลำเลียงจึงส่งผลโดยตรงต่ออายุการใช้งานของระบบ ลูกกลิ้งลำเลียง ...
อ่านเพิ่มเติมอะไรทำให้ลูกกลิ้งลำเลียงมีงานหนักอย่างแท้จริง สายพานลำเลียงลูกกลิ้งสำหรับงานหนักไม่ได้ถูกกำหนดโด...
อ่านเพิ่มเติมสายพานลำเลียงแบบลูกกลิ้งคืออะไร และเหตุใดประเภทจึงมีความสำคัญ ลูกกลิ้งลำเลียง เป็นระบบข...
อ่านเพิ่มเติมเหตุใดลูกกลิ้งลำเลียงจึงยังคงเป็นแกนหลักของการจัดการวัสดุ ลูกกลิ้งลำเลียง ปรับปรุงประสิ...
อ่านเพิ่มเติมระบบสายพานลำเลียง ขนย้ายวัสดุหลายล้านตันทุกวันไปยังโรงงาน โกดัง ไซต์เหมืองแร่ และศูนย์กระจายส...
อ่านเพิ่มเติมนำงานฝีมือมาสู่อนาคต
No.60, Zhenhu North Road, เมือง Hudai, Binhu District, Wuxi 214100, จีน



