ซีรีส์ BCHA สแตนเลส
Cat:ลูกสากล
แบบอย่าง เลขที่ -กก.-...
สายพานลำเลียงล้อหรือที่รู้จักกันในชื่อ Roller Guide Rail หรือ Roller Slideway เป็นเครื่องมือที่มีประสิทธิภาพสูงที่ใช้สำหรับการจัดการวัสดุและสายการผลิตอัตโนมัติ โดยทั่วไปจะประกอบด้วยลูกกลิ้งและวงเล็บ ลูกกลิ้งเหล่านี้รองรับและโหลดคู่มือสำหรับการเคลื่อนไหวที่ราบรื่นในทิศทางที่กำหนด

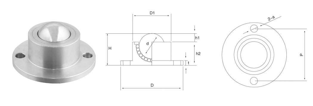
แบบอย่าง เลขที่ -กก.-...
| แบบอย่าง เลขที่ | -กก.- กำลังโหลด เครื่องเก็บประจุ y | ( มม. ) ขนาด | (กก.) น้ำหนัก | |||||||
| วัสดุ | แนะนำ | สูงสุด . | ||||||||
| d | d | D1 | ชม | H1 | H2 | |||||
| BCHA7.5 | SS/SS | 2 | 3 | 4 | 9 | 7.5 | 6.1 | 1.1 | 4 | 0.005 |
| BCHA9 | SS/SS | 3 | 4 | 4.76 | 11 | 9 | 7.2 | 1.2 | 5 | 0.008 |
| BCHA11 | SS/SS | 4 | 5 | 5.56 | 13 | 11 | 8.5 | 1.5 | 6 | 0.010 |
| BCHA15 | SS/SS | 6 | 7 | 8.73 | 17 | 15 | 12.5 | 2.5 | 9 | 0.015 |
| BCHA18 | SS/SS | 8 | 10 | 10.32 | 20 | 18 | 14.5 | 3.5 | 10 | 0.030 |
| BCHA24 | SS/SS | 12 | 18 | 15.87 | 26 | 24 | 20.8 | 5.3 | 14 | 0.060 |
| BCHA30 | SS/SS | 15 | 20 | 19.05 | 32 | 30 | 25.3 | 6.3 | 17 | 0.185 |

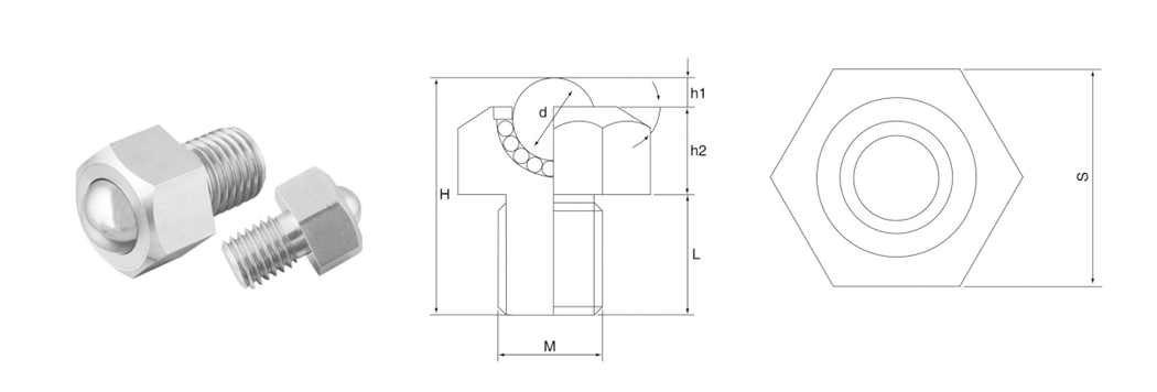
แบบอย่าง เลขที่ (กก.)...
| แบบอย่าง เลขที่ | (กก.) กำลังโหลด เครื่องเก็บประจุ y | (มม.) ขนาด | ||||||||||
| วัสดุ | แนะนำ | สูงสุด . | ||||||||||
| d | d | D1 | ชม | H1 | H2 | T | P | อัน | ||||
| BCHF27 | SS/SS | 6 | 7 | 8.73 | 27 | 15 | 12 | 2.5 | 9.5 | 2 | 21 | 3.5 |
| BCHF30 | SS/SS | 8 | 10 | 10.32 | 30 | 18 | 15 | 3.5 | 11.5 | 2 | 24 | 3.5 |
| BCHF39 | SS/SS | 12 | 18 | 15.87 | 39 | 24 | 20 | 5.3 | 14.7 | 3 | 31.5 | 4.5 |
| BCHF48 | SS/SS | 15 | 20 | 19.05 | 48 | 30 | 25 | 6.3 | 18.7 | 4 | 39 | 5.5 |

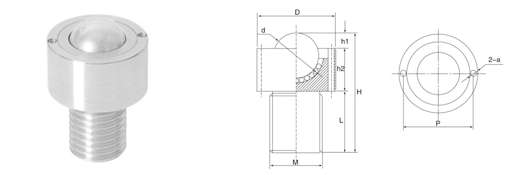
แบบอย่าง เลขที่ (กก.)...
| แบบอย่าง เลขที่ | (กก.) กำลังโหลด ความจุ | (มม.) มิติ S | ||||||||
| วัสดุ | ข้อสรุป T | สูงสุด . | ||||||||
| d | ชม | H1 | H2 | ม. | l | S | ||||
| BCHL5 | SS/SS | 2 | 3 | 4 | 12.1 | 1.1 | 5 | 5 | 6 | 8 |
| BCHL6 | SS/SS | 3 | 4 | 4.76 | 15.2 | 1.2 | 6 | 6 | 8 | 10 |
| BCHL8 | SS/SS | 4 | 5 | 5.56 | 18.5 | 1.5 | 7 | 8 | 10 | 13 |
| BCHL10 | SS/SS | 6 | 7 | 8.73 | 24.5 | 2.5 | 10 | 10 | 12 | 17 |
| BCHL12 | SS/SS | 8 | 10 | 10.32 | 29.5 | 3.5 | 11 | 12 | 15 | 19 |
| BCHL16 | SS/SS | 12 | 18 | 15.87 | 40.3 | 5.3 | 15 | 16 | 20 | 24 |
| BCHL20 | SS/SS | 15 | 20 | 19.05 | 49.3 | 6.3 | 18 | 20 | 25 | 30 |

แบบอย่าง เลขที่ -กก.-...
| แบบอย่าง เลขที่ | -กก.- กำลังโหลด ความจุ | ( มม. ) ขนาด | ||||||||
| วัสดุ | แนะนำ | สูงสุด . | ||||||||
| d | D1 | ชม | H1 | H2 | ม. | l | ||||
| BCHN12 | SS/SS | 4 | 5 | 5.56 | 12 | 23 | 1.5 | 6.5 | 6 | 15 |
| BCHN16 | SS/SS | 6 | 7 | 8.73 | 16 | 27 | 2.5 | 9.5 | 6 | 15 |
| BCHN19 | SS/SS | 8 | 10 | 10.32 | 19 | 35 | 3.5 | 11.5 | 8 | 20 |
| BCHN25 | SS/SS | 12 | 18 | 15.87 | 25 | 40 | 5.3 | 14.7 | 8 | 20 |
| BCHN31 | SS/SS | 15 | 20 | 19.05 | 31 | 50 | 6.3 | 18.7 | 10 | 25 |

แบบอย่าง เลขที่ (กก.)...
| แบบอย่าง เลขที่ | (กก.) กำลังโหลด ความจุ | (มม.) ขนาด | (กก.) น้ำหนัก | ||||||||||
| วัสดุ | แนะนำ | สูงสุด | |||||||||||
| d | d | ชม | H1 | H2 | ม. | l | P | อัน | |||||
| BCHM10 | SS/SS | 6 | 7 | 8.73 | 18.5 | 24.5 | 2.5 | 10 | 10 | 12 | 15.4 | 2 | 0.060 |
| BCHM12 | SS/SS | 8 | 10 | 10.32 | 22 | 29.5 | 3.5 | 11 | 12 | 15 | 18.5 | 2 | 0.070 |
| BCHM16 | SS/SS | 12 | 18 | 15.87 | 27 | 40.3 | 5.3 | 15 | 16 | 20 | 24 | 2.5 | 0.090 |
| BCHM20 | SS/SS | 15 | 20 | 19.05 | 33 | 49.3 | 6.3 | 18 | 20 | 25 | 29.6 | 2.5 | 0.140 |

แบบอย่าง เลขที่ (กก.)...
| แบบอย่าง เลขที่ | (กก.) กำลังโหลด ความจุ | (มม.) ขนาด | |||||||
| วัสดุ | แนะนำ | สูงสุด | |||||||
| d | d | ชม | H1 | ม. | S | ||||
| BCSB8 | SS/SS | 3 | 4 | 4.76 | 5 | 14 | 1.3 | 8 | 4 |
| BCSB10 | SS/SS | 3 | 4 | 4.76 | 7 | 16 | 1.2 | 10 | 5 |
| BCSB12 | SS/SS | 4 | 5 | 5.56 | 8 | 20 | 1.5 | 12 | 6 |
| BCSB16 | SS/SS | 6 | 7 | 8.73 | 12 | 25 | 2.5 | 16 | 8 |
| BCSB20 | SS/SS | 8 | 10 | 10.32 | 15 | 30 | 3.5 | 20 | 10 |

แบบอย่าง เลขที่ (kg) ...
| แบบอย่าง เลขที่ | (kg) ความสามารถในการโหลด | (มม.) ขนาด | ||||||||
| วัสดุ | แนะนำ | aax | ||||||||
| d | d | D1 | ชม | H1 | H2 | R | ||||
| BCHP14 | SS/SS | 4 | 5 | 5.56 | 16 | 14 | 18.5 | 1.5 | 14 | 1.5 |
| BCHP18 | SS/SS | 6 | 7 | 8.73 | 20 | 18 | 23 | 2.5 | 17 | 2 |
| BCHP22 | SS/SS | 8 | 10 | 10.32 | 24 | 22 | 28.5 | 3.5 | 21.5 | 2 |
แบบอย่าง เลขที่ (กก.)...
| แบบอย่าง เลขที่ | (กก.) กำลังโหลด ความจุ | (มม.) ขนาด | |||||||||||||
| วัสดุ | แนะนำ | สูงสุด | |||||||||||||
| d | d | D1 | ชม | H1 | H2 | ม. | 牙距 细牙 | l | R | P | อัน | ||||
| BCHPT16 | SS/SS | 4 | 5 | 5.56 | 19 | 13.5 | 18.2 | 1.5 | 14 | 16 | 1.5 | 9 | 1.2 | 15.4 | 2 |
| BCHPT20 | SS/SS | 6 | 7 | 8.73 | 24 | 16.5 | 23 | 2.5 | 17 | 20 | 1.5 | 10 | 2 | 18.5 | 2 |
| BCHPT24 | SS/SS | 8 | 10 | 10.32 | 28 | 20.5 | 28.5 | 3.5 | 21.5 | 24 | 1.5 | 12 | 2 | 24 | 2.5 |
เหตุใดการบำรุงรักษาลูกกลิ้งลำเลียงจึงส่งผลโดยตรงต่ออายุการใช้งานของระบบ ลูกกลิ้งลำเลียง ...
อ่านเพิ่มเติมอะไรทำให้ลูกกลิ้งลำเลียงมีงานหนักอย่างแท้จริง สายพานลำเลียงลูกกลิ้งสำหรับงานหนักไม่ได้ถูกกำหนดโด...
อ่านเพิ่มเติมสายพานลำเลียงแบบลูกกลิ้งคืออะไร และเหตุใดประเภทจึงมีความสำคัญ ลูกกลิ้งลำเลียง เป็นระบบข...
อ่านเพิ่มเติมเหตุใดลูกกลิ้งลำเลียงจึงยังคงเป็นแกนหลักของการจัดการวัสดุ ลูกกลิ้งลำเลียง ปรับปรุงประสิ...
อ่านเพิ่มเติมระบบสายพานลำเลียง ขนย้ายวัสดุหลายล้านตันทุกวันไปยังโรงงาน โกดัง ไซต์เหมืองแร่ และศูนย์กระจายส...
อ่านเพิ่มเติมเคล็ดลับการบำรุงรักษาและการดูแลสำหรับ สายพานลำเลียง
ในระหว่างการดำเนินการระยะยาวสายพานลำเลียงอาจสะสมฝุ่นน้ำมันและเศษซากอื่น ๆ ซึ่งไม่เพียง แต่จะเพิ่มแรงเสียดทาน แต่ยังทำให้เกิดการสึกหรอบนลูกกลิ้งและแทร็ก ดังนั้นการทำความสะอาดทุกวันควรรวมถึงการใช้ความดันอากาศหรือเครื่องมือพิเศษเพื่อกำจัดเศษซากออกจากพื้นผิวลูกกลิ้งเพื่อให้แน่ใจว่าการสัมผัสที่ราบรื่นระหว่างลูกกลิ้งและแทร็ก โดยเฉพาะอย่างยิ่งเมื่อจัดการกับสายการผลิตที่มีวัสดุเหนียวหรือในสภาพแวดล้อมที่เต็มไปด้วยฝุ่นความถี่การทำความสะอาดควรเพิ่มขึ้น นอกจากนี้การตรวจสอบสภาพของลูกกลิ้งและลูกกลิ้งอย่างสม่ำเสมอเพื่อให้แน่ใจว่าพวกเขาจะไม่ผิดรูปหรือเสียหายเป็นขั้นตอนสำคัญในการป้องกันความล้มเหลว
ลูกกลิ้งและวงเล็บจะสร้างแรงเสียดทานในระหว่างการทำงาน การขาดการหล่อลื่นที่เหมาะสมในระยะยาวจะทำให้การสึกหรอมากเกินไปและแม้กระทั่งการติดขัดชิ้นส่วน การเลือกน้ำมันหล่อลื่นที่เหมาะสมและหล่อลื่นเป็นประจำตามความถี่ในการใช้งานสามารถลดการสึกหรอของชิ้นส่วนกลไกและทำให้อุปกรณ์ทำงานได้อย่างราบรื่น โดยทั่วไปควรตรวจสอบการหล่อลื่นของลูกกลิ้งและตลับลูกปืนทุก ๆ สามเดือนเพื่อให้แน่ใจว่าชิ้นส่วนหมุนแต่ละชิ้นจะหล่อลื่นอย่างเต็มที่ นอกจากนี้การหล่อลื่นที่เหมาะสมไม่เพียง แต่ลดการสึกหรอ แต่ยังลดเสียงรบกวนในระหว่างการทำงานของอุปกรณ์ทำให้เกิดสภาพแวดล้อมการทำงานที่เงียบกว่า
ตรวจสอบโหลดของสายพานลำเลียงบ่อยครั้งเพื่อให้แน่ใจว่ามันทำงานภายในช่วงโหลดที่จัดอันดับ การโอเวอร์โหลดอาจทำให้เกิดความเสียหายหรือการเสียรูปของลูกกลิ้งหรือทำให้เกิดความล้มเหลวอย่างรุนแรงมากขึ้น ดังนั้นจึงจำเป็นต้องตรวจสอบระบบส่งกำลังแต่ละระบบเป็นประจำเพื่อให้แน่ใจว่าอยู่ในสภาพการทำงานปกติไม่หลวมและไม่สร้างเสียงผิดปกติ สำหรับระบบการขนส่งที่มักจะมีวัตถุหนักเป็นสิ่งสำคัญมากที่จะต้องตรวจสอบและแทนที่ส่วนประกอบสำคัญเช่นโซ่ส่งสัญญาณลูกกลิ้งและเข็มขัด
ที่ Wuxi Huiqian Logistics Machinery Machinery Manuthuring Co. , Ltd. เราเข้าใจถึงความสำคัญของอุปกรณ์คุณภาพสูงในการรักษาการดำเนินงานที่มีประสิทธิภาพและเชื่อถือได้ ก่อตั้งขึ้นโดยการบูรณาการเทคโนโลยีและความเชี่ยวชาญของญี่ปุ่นขั้นสูง บริษัท ของเรามีความเชี่ยวชาญในการผลิตและการขายลูกกลิ้ง, สายพานลำเลียงลูกกลิ้ง, สายพานลำเลียง, กรงจัดเก็บ, รถเข็นโลจิสติกส์, ยานพาหนะขนาดเล็ก, เฟรมและชั้นวาง ตั้งอยู่ในเขตพัฒนาเทคโนโลยีไฮเทคแห่งชาติ Wuxi โรงงานของเรามีระบบการจัดการคุณภาพที่แข็งแกร่งพนักงานที่มีทักษะและอุปกรณ์ประมวลผลที่ทันสมัย
ของเรา สายพานลำเลียง โดยเฉพาะอย่างยิ่งได้รับการออกแบบด้วยเทคโนโลยีขั้นสูงและผลิตโดยใช้วัตถุดิบคุณภาพสูงภายใต้การควบคุมคุณภาพอย่างเข้มงวด สายพานลำเลียงเหล่านี้ไม่เพียง แต่ทำงานได้ดีเป็นพิเศษในความสามารถในการโหลด แต่ยังเพิ่มประสิทธิภาพการสัมผัสระหว่างลูกกลิ้งและแทร็กเพื่อให้มั่นใจถึงความเสถียรของวัสดุในระหว่างกระบวนการถ่ายทอดในขณะที่ลดการสึกหรอและการใช้พลังงาน ผ่านการออกแบบผลิตภัณฑ์ที่รอบคอบและการควบคุมกระบวนการที่แม่นยำสายพานลำเลียงของเรายังคงดำเนินการในระยะยาวแม้ในสภาพแวดล้อมการทำงานที่รุนแรงลดความถี่ในการบำรุงรักษาและลดต้นทุนการดำเนินงานสำหรับธุรกิจ
แอปพลิเคชันที่ซ่อนอยู่ของ สายพานลำเลียง ในชีวิตประจำวัน
หลายคนอาจไม่ทราบว่าทุกครั้งที่พวกเขาซื้อสินค้าสินค้าจะถูกขนส่งจากคลังสินค้าไปยังชั้นวางหรือแม้แต่โดยตรงไปยังเคาน์เตอร์ชำระเงินซึ่งไม่สามารถแยกออกจากการสนับสนุนของระบบสายพานลำเลียง ในซุปเปอร์มาร์เก็ตห้างสรรพสินค้าและศูนย์กระจายสินค้าจำนวนมากของยานยนต์ล้อเลื่อนกำลังดำเนินงานอย่างเงียบ ๆ ช่วยให้พนักงานส่งสินค้าไปยังสถานที่ที่กำหนดอย่างมีประสิทธิภาพผ่านทางเดินกลิ้ง สายพานลำเลียงเหล่านี้ไม่เพียง แต่ปรับปรุงประสิทธิภาพการดำเนินงานอย่างมีนัยสำคัญ แต่ยังลดความเข้มของแรงงานในการจัดการด้วยตนเองลดข้อผิดพลาดและการสูญเสียที่อาจเกิดขึ้น ในขณะเดียวกันการออกแบบของพวกเขาเน้นความมั่นคงและความทนทานทำให้พวกเขาสามารถทำงานได้อย่างมีประสิทธิภาพในสภาพแวดล้อมการทำงานที่ยุ่งเพื่อให้แน่ใจว่าสินค้าได้รับการเก็บรักษาและหมุนเวียนในเวลาที่เหมาะสม
แอพพลิเคชั่นที่คล้ายกันสามารถพบได้ในการผลิตคลังสินค้าและศูนย์เรียงลำดับ โดยเฉพาะอย่างยิ่งในระบบโลจิสติกส์ที่ทันสมัยสายพานลำเลียงเป็นส่วนประกอบที่ขาดไม่ได้ พวกเขามั่นใจว่ากระบวนการโลจิสติกส์ที่ราบรื่นโดยการดำเนินการและชี้นำพัสดุชิ้นส่วนและสินค้าจำนวนมาก ในสาขาเหล่านี้ลำเลียงล้อจัดการโหลดต่าง ๆ ตั้งแต่ผืนเล็ก ๆ ไปจนถึงสินค้าหนักซึ่งสามารถขนส่งได้อย่างราบรื่นผ่านระบบลูกกลิ้งที่มีความแม่นยำ โดยเฉพาะอย่างยิ่งในช่วงเทศกาลวันหยุดสูงสุดหรือช่วงเวลาการส่งเสริมการขายคลังสินค้าและศูนย์โลจิสติกส์พึ่งพายานยนต์อย่างหนัก ความสามารถในการไหลของสินค้าที่มีประสิทธิภาพช่วยป้องกันความล่าช้าในการขนส่งได้อย่างมีประสิทธิภาพ
ที่ Wuxi Huiqian Logistics Machinery Machinery Manuthing Co. , Ltd. เราภูมิใจที่จะมีส่วนร่วมในการดำเนินงานด้านโลจิสติกส์ที่จำเป็นเหล่านี้ ก่อตั้งขึ้นโดยการบูรณาการเทคโนโลยีและความเชี่ยวชาญของญี่ปุ่นขั้นสูง บริษัท ของเรามีความเชี่ยวชาญในการผลิตและการขายลูกกลิ้งคุณภาพสูง, สายพานลำเลียง, สายพานลำเลียง, กรงเก็บ, รถเข็นโลจิสติกส์, ยานยนต์ขนาดเล็ก, เฟรมและชั้นวาง สิ่งอำนวยความสะดวกของเราตั้งอยู่ในระบบการจัดการคุณภาพที่แข็งแกร่งพนักงานที่มีทักษะและอุปกรณ์การประมวลผลขั้นสูงทำให้มั่นใจว่าผลิตภัณฑ์ทุกชนิดมีมาตรฐานคุณภาพและประสิทธิภาพสูงสุด
โดยเฉพาะอย่างยิ่งสายพานลำเลียงล้อของเราแสดงให้เห็นถึงข้อได้เปรียบที่ยอดเยี่ยมในสถานการณ์แอปพลิเคชันประจำวันเหล่านี้ ผลิตโดยใช้เทคโนโลยีขั้นสูงและวัสดุลูกกลิ้งพรีเมี่ยมพวกเขาสามารถจัดการวัสดุที่มีน้ำหนักและรูปร่างต่าง ๆ ในขณะที่ทำงานอย่างเสถียรในสภาพแวดล้อมที่ซับซ้อน ไม่ว่าจะเป็นการตั้งค่าค้าปลีกเชิงพาณิชย์ที่ต้องการการดำเนินงานที่มีความถี่สูงหรือสนามคลังสินค้าและโลจิสติกส์ที่ต้องการความเร็วและความแม่นยำความแม่นยำยานยนต์ของเราให้บริการโซลูชั่นการขนส่งวัสดุที่มีประสิทธิภาพราบรื่นและเชื่อถือได้ ผ่านการออกแบบที่เป็นนวัตกรรมและการควบคุมคุณภาพอย่างเข้มงวดผลิตภัณฑ์ของเราสนับสนุนธุรกิจในการบรรลุการดำเนินงานด้านโลจิสติกส์ที่ไร้รอยต่อลดต้นทุนและเพิ่มประสิทธิภาพการผลิต
นำงานฝีมือมาสู่อนาคต
No.60, Zhenhu North Road, เมือง Hudai, Binhu District, Wuxi 214100, จีน