W-20125SUS
Cat:สายพานลำเลียง SUS
พิมพ์ d*w*d*b เพลา ขนาดเฟรม ชม*W1*W2*W3*T ...
สายพานลำเลียงล้อหรือที่รู้จักกันในชื่อ Roller Guide Rail หรือ Roller Slideway เป็นเครื่องมือที่มีประสิทธิภาพสูงที่ใช้สำหรับการจัดการวัสดุและสายการผลิตอัตโนมัติ โดยทั่วไปจะประกอบด้วยลูกกลิ้งและวงเล็บ ลูกกลิ้งเหล่านี้รองรับและโหลดคู่มือสำหรับการเคลื่อนไหวที่ราบรื่นในทิศทางที่กำหนด

พิมพ์ d*w*d*b เพลา ขนาดเฟรม ชม*W1*W2*W3*T ...
| พิมพ์ | d*w*d*b | เพลา | ขนาดเฟรม ชม*W1*W2*W3*T | ความสูง H | ความยาว l | สนามล้อ P | การโหลดล้อเดี่ยว (กก.) | ประเภทเฟรม |
| W-20125SUS | 20x25x6.1x27 | M6X35L | 25x30x9x39x1.5 | 27 | 1,000 · 1500 · 2000 | 25 · 30 · 35 | 40 | A |

พิมพ์ d*w*d*b เพลา ขนาดเฟรม ชม*W1*W2*W3*T ...
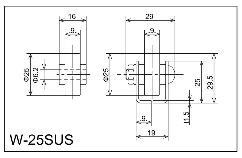
| พิมพ์ | d*w*d*b | เพลา | ขนาดเฟรม ชม*W1*W2*W3*T | ความสูง H | ความยาว l | สนามล้อ P | การโหลดล้อเดี่ยว (กก.) | ประเภทเฟรม |
| W-25sus | 25x9x6.2x16 | M6X25L | 25x19x9x29x1.5 | 29.5 | 1,000 · 1500 · 2000 | 30 · 35 | 30 | A |

พิมพ์ d*w*d*b เพลา ขนาดเฟรม ชม*W1*W2*W3*T ...
| พิมพ์ | d*w*d*b | เพลา | ขนาดเฟรม ชม*W1*W2*W3*T | ความสูง H | ความยาว l | สนามล้อ P | การโหลดล้อเดี่ยว (กก.) | ประเภทเฟรม |
| W-2523SUS | 25x23x8.2x25 | M8X35L | 25x28x9x40x1.5 | 29.5 | 1,000 · 1500 · 2000 | 30 · 35 | 50 | A |

พิมพ์ d*w*d*b เพลา ขนาดเฟรม ชม*W1*W2*W3*T ...
| พิมพ์ | d*w*d*b | เพลา | ขนาดเฟรม ชม*W1*W2*W3*T | ความสูง H | ความยาว l | สนามล้อ P | การโหลดล้อเดี่ยว (กก.) | ประเภทเฟรม |
| HG-W36SUS | 36x9x6.2x25 | M6X38L | 45x29x10x42x2.0 | 51 | 1800 · 2400 · 3000 | 50 · 75 · 100 · 150 | 40 | A |

พิมพ์ d*w*d*b เพลา ขนาดเฟรม ชม*W1*W2*W3*T ...
| พิมพ์ | d*w*d*b | เพลา | ขนาดเฟรม ชม*W1*W2*W3*T | ความสูง H | ความยาว l | สนามล้อ P | การโหลดล้อเดี่ยว (กก.) | ประเภทเฟรม |
| W-36CS-SUS | 36x9x8.2x28 | M8X40L | 42x60x32x45x2.0 | 47 | 1800 · 2400 · 3000 | 50.75 · 100 · 150 | 40 | J |

พิมพ์ d*w*d*b เพลา ขนาดเฟรม ชม*W1*W2*W3*T ...
| พิมพ์ | d*w*d*b | เพลา | ขนาดเฟรม ชม*W1*W2*W3*T | ความสูง H | ความยาว l | สนามล้อ P | การโหลดล้อเดี่ยว (กก.) | ประเภทเฟรม |
| W-36BW-SUS | 36x9x8.2x14 | M8X55L | 46x60x33 × 71 1.5 2.0 | 52 | 1800 · 2400 · 3000 | 50 · 75 · 100 · 150 | 40 | K |

พิมพ์ d*w*d*b เพลา ขนาดเฟรม ชม*W1*W2*W3*T ...
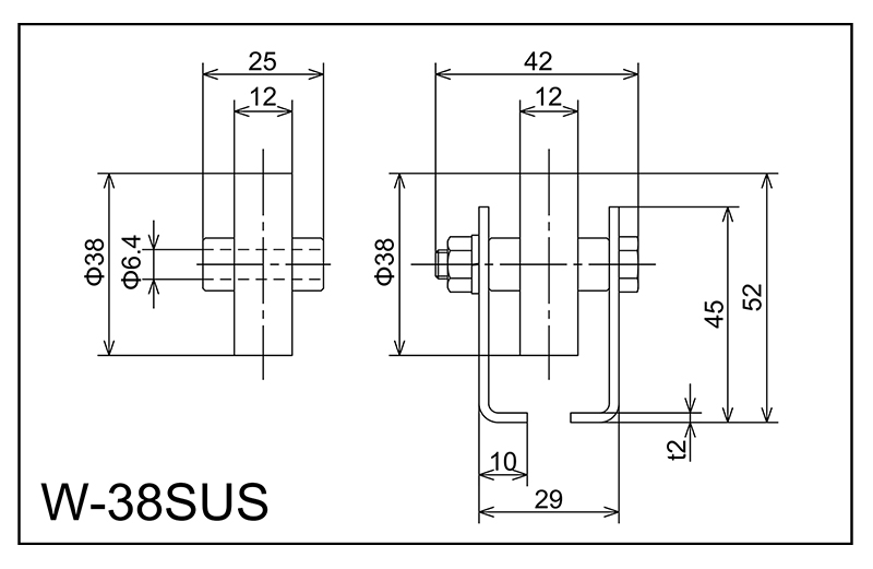
| พิมพ์ | d*w*d*b | เพลา | ขนาดเฟรม ชม*W1*W2*W3*T | ความสูง H | ความยาว l | สนามล้อ P | การโหลดล้อเดี่ยว (กก.) | ประเภทเฟรม |
| W-38SUS | 38x12x6.4x25 | M6X38L | 45x29x10x42x2.0 | 52 | 1800 · 2400 · 3000 | 50 · 75 · 100 · 150 | 20 | A |

พิมพ์ d*w*d*b เพลา ขนาดเฟรม ชม*W1*W2*W3*T ...
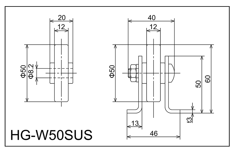
| พิมพ์ | d*w*d*b | เพลา | ขนาดเฟรม ชม*W1*W2*W3*T | ความสูง H | ความยาว l | สนามล้อ P | การโหลดล้อเดี่ยว (กก.) | ประเภทเฟรม |
| Hg-W50sus | 50x12x8.2x20 | M8X35L | 50x46x13x40x3.0 | 60 | 1800 · 2400 · 3000 | 75 · 100 · 150 · 200 | 80 | C |

พิมพ์ d*w*d*b เพลา ขนาดเฟรม ชม*W1*W2*W3*T ...
| พิมพ์ | d*w*d*b | เพลา | ขนาดเฟรม ชม*W1*W2*W3*T | ความสูง H | ความยาว l | สนามล้อ P | การโหลดล้อเดี่ยว (กก.) | ประเภทเฟรม | ยาง |
| W-30RB | 30x9x6.2x16 | m6x27l | 25x19.2x9x31x1.6 | 33 | 1,000 · 1500 · 2000 | 35 | 25 | อัน | NBR |

พิมพ์ d*w*d*b เพลา ขนาดเฟรม ชม*W1*W2*W3*T ...
| พิมพ์ | d*w*d*b | เพลา | ขนาดเฟรม ชม*W1*W2*W3*T | ความสูง H | ความยาว l | สนามล้อ P | การโหลดล้อเดี่ยว (กก.) | ประเภทเฟรม | ยาง |
| W-3812R | 38x28x12.2x32 | M12X50L | 35x38.4x13x58x3.2 | 43 | 1,000 · 1500 · 2000 | 40 · 70 · 100 | 80 | อัน | NBR |

พิมพ์ d*w*d*b เพลา ขนาดเฟรม ชม*W1*W2*W3*T ...
| พิมพ์ | d*w*d*b | เพลา | ขนาดเฟรม ชม*W1*W2*W3*T | ความสูง H | ความยาว l | สนามล้อ P | การโหลดล้อเดี่ยว (กก.) | ประเภทเฟรม | ยาง |
| W-40RS | 40x9x8.2x28 | M8X40L | 42.3x60x32.6x45x2.3 | 49.3 | 1800 · 2400 · 3000 | 50 · 75 · 100 · 150 | 20 | J | NBR |

พิมพ์ d*w*d*b เพลา ขนาดเฟรม ชม*W1*W2*W3*T ...
| พิมพ์ | d*w*d*b | เพลา | ขนาดเฟรม ชม*W1*W2*W3*T | ความสูง H | ความยาว l | สนามล้อ P | การโหลดล้อเดี่ยว (กก.) | ประเภทเฟรม | ยาง |
| WB-40RS | 40x9x8.2x28 | M8X40L | 42.3x60x31.2x45 × 23 | 51.3 | 1800 · 2400 · 3000 | 50 · 75 · 100 | 20 | f | NBR |
เหตุใดการบำรุงรักษาลูกกลิ้งลำเลียงจึงส่งผลโดยตรงต่ออายุการใช้งานของระบบ ลูกกลิ้งลำเลียง ...
อ่านเพิ่มเติมอะไรทำให้ลูกกลิ้งลำเลียงมีงานหนักอย่างแท้จริง สายพานลำเลียงลูกกลิ้งสำหรับงานหนักไม่ได้ถูกกำหนดโด...
อ่านเพิ่มเติมสายพานลำเลียงแบบลูกกลิ้งคืออะไร และเหตุใดประเภทจึงมีความสำคัญ ลูกกลิ้งลำเลียง เป็นระบบข...
อ่านเพิ่มเติมเหตุใดลูกกลิ้งลำเลียงจึงยังคงเป็นแกนหลักของการจัดการวัสดุ ลูกกลิ้งลำเลียง ปรับปรุงประสิ...
อ่านเพิ่มเติมระบบสายพานลำเลียง ขนย้ายวัสดุหลายล้านตันทุกวันไปยังโรงงาน โกดัง ไซต์เหมืองแร่ และศูนย์กระจายส...
อ่านเพิ่มเติมเคล็ดลับการบำรุงรักษาและการดูแลสำหรับ สายพานลำเลียง
ในระหว่างการดำเนินการระยะยาวสายพานลำเลียงอาจสะสมฝุ่นน้ำมันและเศษซากอื่น ๆ ซึ่งไม่เพียง แต่จะเพิ่มแรงเสียดทาน แต่ยังทำให้เกิดการสึกหรอบนลูกกลิ้งและแทร็ก ดังนั้นการทำความสะอาดทุกวันควรรวมถึงการใช้ความดันอากาศหรือเครื่องมือพิเศษเพื่อกำจัดเศษซากออกจากพื้นผิวลูกกลิ้งเพื่อให้แน่ใจว่าการสัมผัสที่ราบรื่นระหว่างลูกกลิ้งและแทร็ก โดยเฉพาะอย่างยิ่งเมื่อจัดการกับสายการผลิตที่มีวัสดุเหนียวหรือในสภาพแวดล้อมที่เต็มไปด้วยฝุ่นความถี่การทำความสะอาดควรเพิ่มขึ้น นอกจากนี้การตรวจสอบสภาพของลูกกลิ้งและลูกกลิ้งอย่างสม่ำเสมอเพื่อให้แน่ใจว่าพวกเขาจะไม่ผิดรูปหรือเสียหายเป็นขั้นตอนสำคัญในการป้องกันความล้มเหลว
ลูกกลิ้งและวงเล็บจะสร้างแรงเสียดทานในระหว่างการทำงาน การขาดการหล่อลื่นที่เหมาะสมในระยะยาวจะทำให้การสึกหรอมากเกินไปและแม้กระทั่งการติดขัดชิ้นส่วน การเลือกน้ำมันหล่อลื่นที่เหมาะสมและหล่อลื่นเป็นประจำตามความถี่ในการใช้งานสามารถลดการสึกหรอของชิ้นส่วนกลไกและทำให้อุปกรณ์ทำงานได้อย่างราบรื่น โดยทั่วไปควรตรวจสอบการหล่อลื่นของลูกกลิ้งและตลับลูกปืนทุก ๆ สามเดือนเพื่อให้แน่ใจว่าชิ้นส่วนหมุนแต่ละชิ้นจะหล่อลื่นอย่างเต็มที่ นอกจากนี้การหล่อลื่นที่เหมาะสมไม่เพียง แต่ลดการสึกหรอ แต่ยังลดเสียงรบกวนในระหว่างการทำงานของอุปกรณ์ทำให้เกิดสภาพแวดล้อมการทำงานที่เงียบกว่า
ตรวจสอบโหลดของสายพานลำเลียงบ่อยครั้งเพื่อให้แน่ใจว่ามันทำงานภายในช่วงโหลดที่จัดอันดับ การโอเวอร์โหลดอาจทำให้เกิดความเสียหายหรือการเสียรูปของลูกกลิ้งหรือทำให้เกิดความล้มเหลวอย่างรุนแรงมากขึ้น ดังนั้นจึงจำเป็นต้องตรวจสอบระบบส่งกำลังแต่ละระบบเป็นประจำเพื่อให้แน่ใจว่าอยู่ในสภาพการทำงานปกติไม่หลวมและไม่สร้างเสียงผิดปกติ สำหรับระบบการขนส่งที่มักจะมีวัตถุหนักเป็นสิ่งสำคัญมากที่จะต้องตรวจสอบและแทนที่ส่วนประกอบสำคัญเช่นโซ่ส่งสัญญาณลูกกลิ้งและเข็มขัด
ที่ Wuxi Huiqian Logistics Machinery Machinery Manuthuring Co. , Ltd. เราเข้าใจถึงความสำคัญของอุปกรณ์คุณภาพสูงในการรักษาการดำเนินงานที่มีประสิทธิภาพและเชื่อถือได้ ก่อตั้งขึ้นโดยการบูรณาการเทคโนโลยีและความเชี่ยวชาญของญี่ปุ่นขั้นสูง บริษัท ของเรามีความเชี่ยวชาญในการผลิตและการขายลูกกลิ้ง, สายพานลำเลียงลูกกลิ้ง, สายพานลำเลียง, กรงจัดเก็บ, รถเข็นโลจิสติกส์, ยานพาหนะขนาดเล็ก, เฟรมและชั้นวาง ตั้งอยู่ในเขตพัฒนาเทคโนโลยีไฮเทคแห่งชาติ Wuxi โรงงานของเรามีระบบการจัดการคุณภาพที่แข็งแกร่งพนักงานที่มีทักษะและอุปกรณ์ประมวลผลที่ทันสมัย
ของเรา สายพานลำเลียง โดยเฉพาะอย่างยิ่งได้รับการออกแบบด้วยเทคโนโลยีขั้นสูงและผลิตโดยใช้วัตถุดิบคุณภาพสูงภายใต้การควบคุมคุณภาพอย่างเข้มงวด สายพานลำเลียงเหล่านี้ไม่เพียง แต่ทำงานได้ดีเป็นพิเศษในความสามารถในการโหลด แต่ยังเพิ่มประสิทธิภาพการสัมผัสระหว่างลูกกลิ้งและแทร็กเพื่อให้มั่นใจถึงความเสถียรของวัสดุในระหว่างกระบวนการถ่ายทอดในขณะที่ลดการสึกหรอและการใช้พลังงาน ผ่านการออกแบบผลิตภัณฑ์ที่รอบคอบและการควบคุมกระบวนการที่แม่นยำสายพานลำเลียงของเรายังคงดำเนินการในระยะยาวแม้ในสภาพแวดล้อมการทำงานที่รุนแรงลดความถี่ในการบำรุงรักษาและลดต้นทุนการดำเนินงานสำหรับธุรกิจ
แอปพลิเคชันที่ซ่อนอยู่ของ สายพานลำเลียง ในชีวิตประจำวัน
หลายคนอาจไม่ทราบว่าทุกครั้งที่พวกเขาซื้อสินค้าสินค้าจะถูกขนส่งจากคลังสินค้าไปยังชั้นวางหรือแม้แต่โดยตรงไปยังเคาน์เตอร์ชำระเงินซึ่งไม่สามารถแยกออกจากการสนับสนุนของระบบสายพานลำเลียง ในซุปเปอร์มาร์เก็ตห้างสรรพสินค้าและศูนย์กระจายสินค้าจำนวนมากของยานยนต์ล้อเลื่อนกำลังดำเนินงานอย่างเงียบ ๆ ช่วยให้พนักงานส่งสินค้าไปยังสถานที่ที่กำหนดอย่างมีประสิทธิภาพผ่านทางเดินกลิ้ง สายพานลำเลียงเหล่านี้ไม่เพียง แต่ปรับปรุงประสิทธิภาพการดำเนินงานอย่างมีนัยสำคัญ แต่ยังลดความเข้มของแรงงานในการจัดการด้วยตนเองลดข้อผิดพลาดและการสูญเสียที่อาจเกิดขึ้น ในขณะเดียวกันการออกแบบของพวกเขาเน้นความมั่นคงและความทนทานทำให้พวกเขาสามารถทำงานได้อย่างมีประสิทธิภาพในสภาพแวดล้อมการทำงานที่ยุ่งเพื่อให้แน่ใจว่าสินค้าได้รับการเก็บรักษาและหมุนเวียนในเวลาที่เหมาะสม
แอพพลิเคชั่นที่คล้ายกันสามารถพบได้ในการผลิตคลังสินค้าและศูนย์เรียงลำดับ โดยเฉพาะอย่างยิ่งในระบบโลจิสติกส์ที่ทันสมัยสายพานลำเลียงเป็นส่วนประกอบที่ขาดไม่ได้ พวกเขามั่นใจว่ากระบวนการโลจิสติกส์ที่ราบรื่นโดยการดำเนินการและชี้นำพัสดุชิ้นส่วนและสินค้าจำนวนมาก ในสาขาเหล่านี้ลำเลียงล้อจัดการโหลดต่าง ๆ ตั้งแต่ผืนเล็ก ๆ ไปจนถึงสินค้าหนักซึ่งสามารถขนส่งได้อย่างราบรื่นผ่านระบบลูกกลิ้งที่มีความแม่นยำ โดยเฉพาะอย่างยิ่งในช่วงเทศกาลวันหยุดสูงสุดหรือช่วงเวลาการส่งเสริมการขายคลังสินค้าและศูนย์โลจิสติกส์พึ่งพายานยนต์อย่างหนัก ความสามารถในการไหลของสินค้าที่มีประสิทธิภาพช่วยป้องกันความล่าช้าในการขนส่งได้อย่างมีประสิทธิภาพ
ที่ Wuxi Huiqian Logistics Machinery Machinery Manuthing Co. , Ltd. เราภูมิใจที่จะมีส่วนร่วมในการดำเนินงานด้านโลจิสติกส์ที่จำเป็นเหล่านี้ ก่อตั้งขึ้นโดยการบูรณาการเทคโนโลยีและความเชี่ยวชาญของญี่ปุ่นขั้นสูง บริษัท ของเรามีความเชี่ยวชาญในการผลิตและการขายลูกกลิ้งคุณภาพสูง, สายพานลำเลียง, สายพานลำเลียง, กรงเก็บ, รถเข็นโลจิสติกส์, ยานยนต์ขนาดเล็ก, เฟรมและชั้นวาง สิ่งอำนวยความสะดวกของเราตั้งอยู่ในระบบการจัดการคุณภาพที่แข็งแกร่งพนักงานที่มีทักษะและอุปกรณ์การประมวลผลขั้นสูงทำให้มั่นใจว่าผลิตภัณฑ์ทุกชนิดมีมาตรฐานคุณภาพและประสิทธิภาพสูงสุด
โดยเฉพาะอย่างยิ่งสายพานลำเลียงล้อของเราแสดงให้เห็นถึงข้อได้เปรียบที่ยอดเยี่ยมในสถานการณ์แอปพลิเคชันประจำวันเหล่านี้ ผลิตโดยใช้เทคโนโลยีขั้นสูงและวัสดุลูกกลิ้งพรีเมี่ยมพวกเขาสามารถจัดการวัสดุที่มีน้ำหนักและรูปร่างต่าง ๆ ในขณะที่ทำงานอย่างเสถียรในสภาพแวดล้อมที่ซับซ้อน ไม่ว่าจะเป็นการตั้งค่าค้าปลีกเชิงพาณิชย์ที่ต้องการการดำเนินงานที่มีความถี่สูงหรือสนามคลังสินค้าและโลจิสติกส์ที่ต้องการความเร็วและความแม่นยำความแม่นยำยานยนต์ของเราให้บริการโซลูชั่นการขนส่งวัสดุที่มีประสิทธิภาพราบรื่นและเชื่อถือได้ ผ่านการออกแบบที่เป็นนวัตกรรมและการควบคุมคุณภาพอย่างเข้มงวดผลิตภัณฑ์ของเราสนับสนุนธุรกิจในการบรรลุการดำเนินงานด้านโลจิสติกส์ที่ไร้รอยต่อลดต้นทุนและเพิ่มประสิทธิภาพการผลิต
นำงานฝีมือมาสู่อนาคต
No.60, Zhenhu North Road, เมือง Hudai, Binhu District, Wuxi 214100, จีน